EasyManua.ls Logo

Daewoo MC-5911SC - Page 4

Daewoo MC-5911SC
21 pages
Print Icon
To Next Page IconTo Next Page
To Next Page IconTo Next Page
To Previous Page IconTo Previous Page
To Previous Page IconTo Previous Page
Loading...
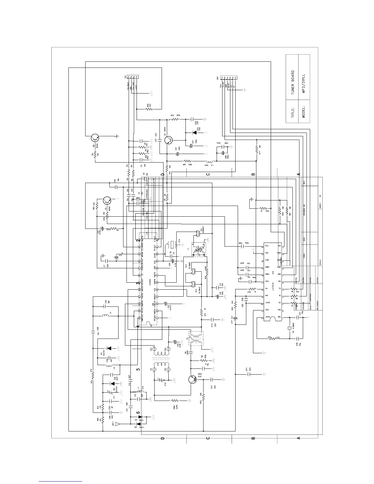
71RADIO.sch-1 - Fri May 09 17:05:03 2008

Related product manuals