EasyManua.ls Logo

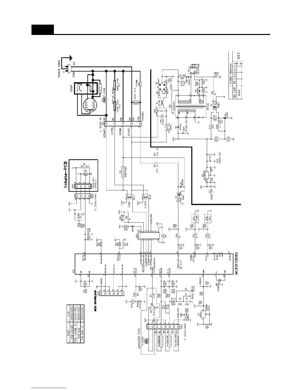
Daewoo RN-271Nl - 1-7. Main PCB Circuit Diagram

Daewoo RN-271Nl
38 pages
Print Icon
To Next Page IconTo Next Page
To Next Page IconTo Next Page
To Previous Page IconTo Previous Page
To Previous Page IconTo Previous Page
Loading...
1.7. Main PCB Circuit Diagram
1. SPECIFICATIONS
9

Related product manuals