EasyManua.ls Logo

DAF CF75 Series - Page 132

DAF CF75 Series
504 pages
Print Icon
To Next Page IconTo Next Page
To Next Page IconTo Next Page
To Previous Page IconTo Previous Page
To Previous Page IconTo Previous Page
Loading...
3
GEARBOX - PNEUMATIC SECTION
General CF65/75/85 series
1-10
Version CF75, production date 2003-21
N
V
1
21
22
1
22 21
GV
GP
H
L
H
L
H
L
4
1
21
22
V300711
1
5
4
3
26
HL
25
2
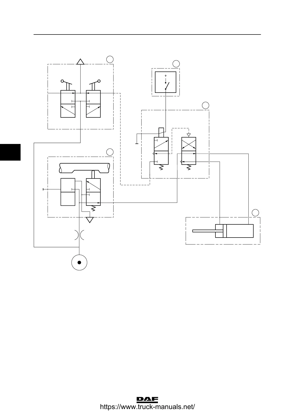
If the range-change switch (5) on the gear lever
is shifted to the low-range preference, the GP
air-pressure valve will switch through to
connection point 21. This air pressure is now
applied to connection point 4 of the
electropneumatic valve (3).
If the vehicle speed exceeds a particular value,
the electronic unit (4) will interrupt the
connection between the electropneumatic valve
(3) and the power supply.
4
200337
https://www.truck-manuals.net/

Other manuals for DAF CF75 Series

Related product manuals