EasyManua.ls Logo

DAF CF75 Series - Page 388

DAF CF75 Series
504 pages
Print Icon
To Next Page IconTo Next Page
To Next Page IconTo Next Page
To Previous Page IconTo Previous Page
To Previous Page IconTo Previous Page
Loading...
3
ZF INTARDER
Removal and installation CF65/75/85 series
4-6
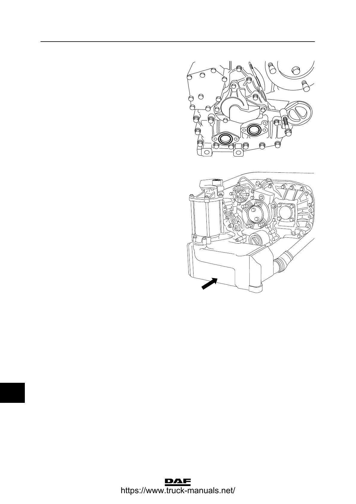
Installing the heat exchanger
1. Insert new O-rings into the circular slots of
the control unit.
2. Install the studs in the heat exchanger and
tighten them to the specified torque. See
Technical data.
3. Apply Loctite to the contact surfaces, studs,
and attachment nuts/bolt. See Technical
data.
4. Install the heat exchanger on the control
unit and tighten the attachment nuts to the
specified torque. See Technical data.
5. Install the heat exchanger oil connection
flange attachment bolt which is attached to
the rear cover of the gearbox, and tighten to
the specified torque. See Technical data.
6. Connect the water hoses to the heat
exchanger.
7. Connect the air pipe to the solenoid valve.
8. Connect the electrical wiring to the intarder.
9. Fill the cooling system.
10. Fill the gearbox with oil.
11. Check the oil level in the gearbox. See
Inspection and adjustment.
V300195
V300448
12
200337
https://www.truck-manuals.net/

Other manuals for DAF CF75 Series

Related product manuals