EasyManua.ls Logo

DAF CF75 Series - Page 490

DAF CF75 Series
504 pages
Print Icon
To Next Page IconTo Next Page
To Next Page IconTo Next Page
To Previous Page IconTo Previous Page
To Previous Page IconTo Previous Page
Loading...
3
AS TRONIC GEARBOX
Removal and installation CF65/75/85 series
4-4
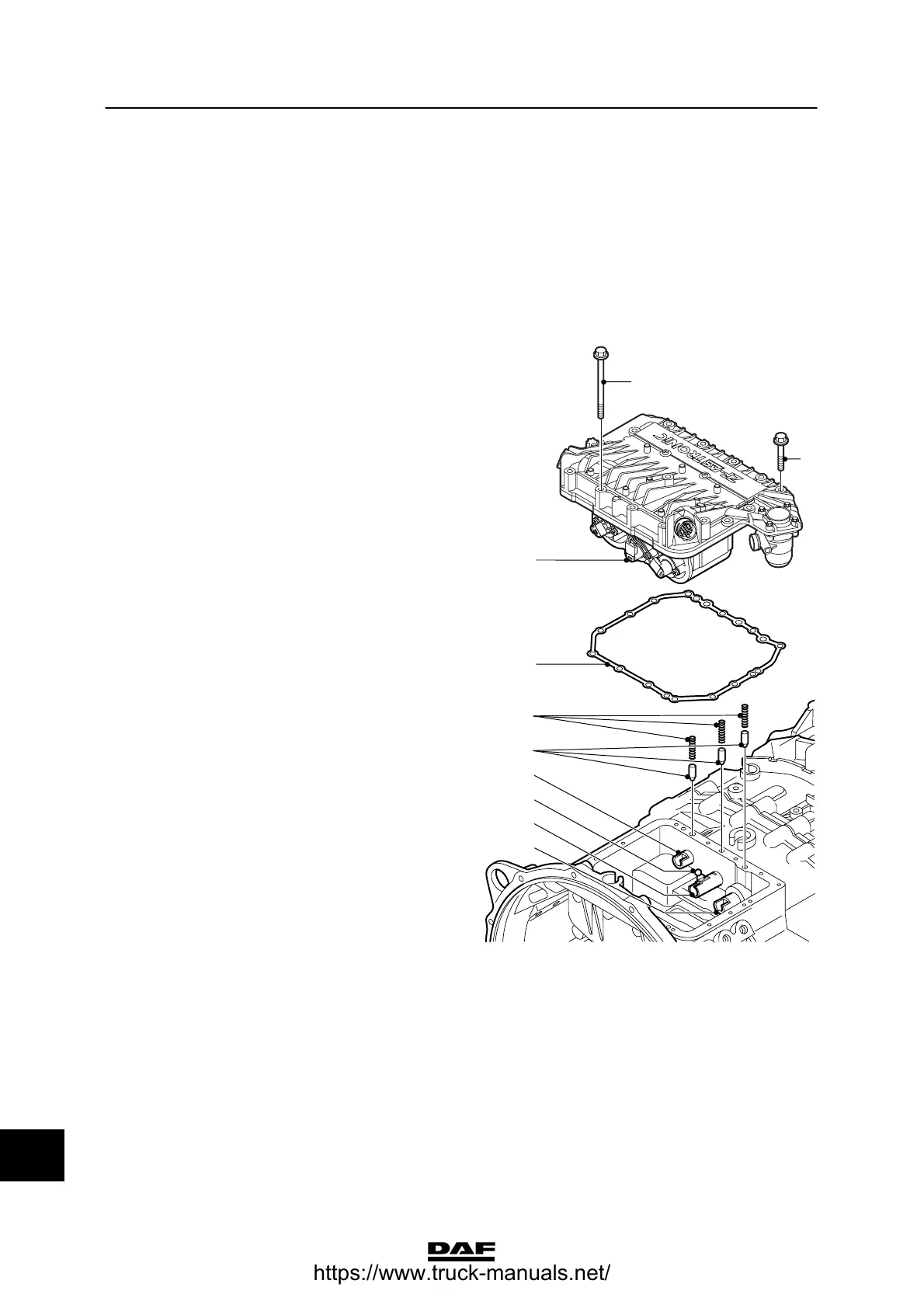
4.2 REMOVAL AND INSTALLATION, GEARBOX MODULATOR
Removing the gearbox modulator
1. Disconnect the earth lead from the battery
terminal.
2. Remove the pressure regulator air pipe
from the gearbox modulator.
3. Remove the gearbox.
4. Remove the attachment bolts (2) and the
gearbox modulator (1).
Note:
When removing the gearbox modulator,
take care that the seal or parts of it does not
fall into the gearbox.
5. Remove the seal (3) and clean the sealing
surfaces.
V300832
4
9
7
8
6
5
3
2
2
1
14
200337
https://www.truck-manuals.net/

Other manuals for DAF CF75 Series

Related product manuals