EasyManua.ls Logo

DAF CF75 Series - Page 494

DAF CF75 Series
504 pages
Print Icon
To Next Page IconTo Next Page
To Next Page IconTo Next Page
To Previous Page IconTo Previous Page
To Previous Page IconTo Previous Page
Loading...
3
AS TRONIC GEARBOX
Removal and installation CF65/75/85 series
4-8
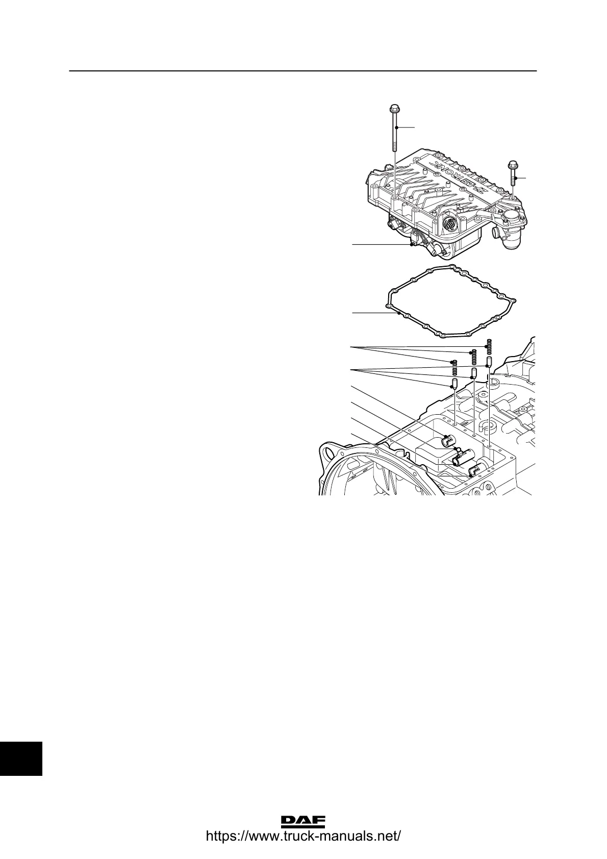
7. Put the round bolt (9) in upright position; it
has to fall into the recess of the pad on the
selection cylinder.
8. Install the gearbox modulator (1) with a new
seal (3); see that the control rods fall into
the recesses in the selector shafts (7, 8 and
9). Tighten the bolts (2) to the specified
torque. See Technical data.
9. Fit the gearbox.
10. Connect the battery terminal.
11. The new gearbox modulator must always
be reprogrammed using DAVIE XD and the
correct vehicle data.
V300832
4
9
7
8
6
5
3
2
2
1
14
200337
https://www.truck-manuals.net/

Other manuals for DAF CF75 Series

Related product manuals