EasyManua.ls Logo

DAF CF85 Series - 2.2 OVERVIEW DRAWING, HYDRAULIC CONTROL UNIT

DAF CF85 Series
504 pages
Print Icon
To Next Page IconTo Next Page
To Next Page IconTo Next Page
To Previous Page IconTo Previous Page
To Previous Page IconTo Previous Page
Loading...
3
ZF INTARDER
General CF65/75/85 series
2-2
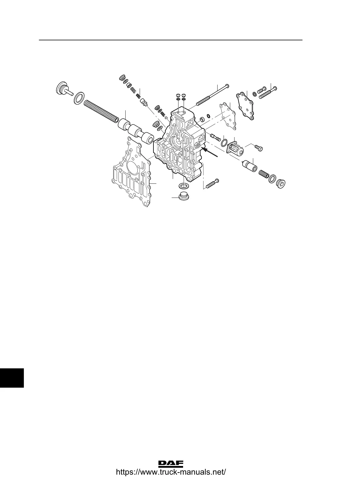
2.2 OVERVIEW DRAWING, HYDRAULIC CONTROL UNIT
V300075
5
8
7
6
5
4
2
3
1
9
10
5
1. Attachment bolt
2. Attachment plate
3. Gasket
4. Attachment bolt
5. Plungers and springs
6. Drain plug
7. Control unit housing
8. Gasket
9. Proportional valve
10. O-ring
12
200337
https://www.truck-manuals.net/

Other manuals for DAF CF85 Series

Related product manuals