EasyManua.ls Logo

Dahua DH-XVR5116HS-X - Page 359

Dahua DH-XVR5116HS-X
359 pages
To Previous Page IconTo Previous Page
To Previous Page IconTo Previous Page
Loading...
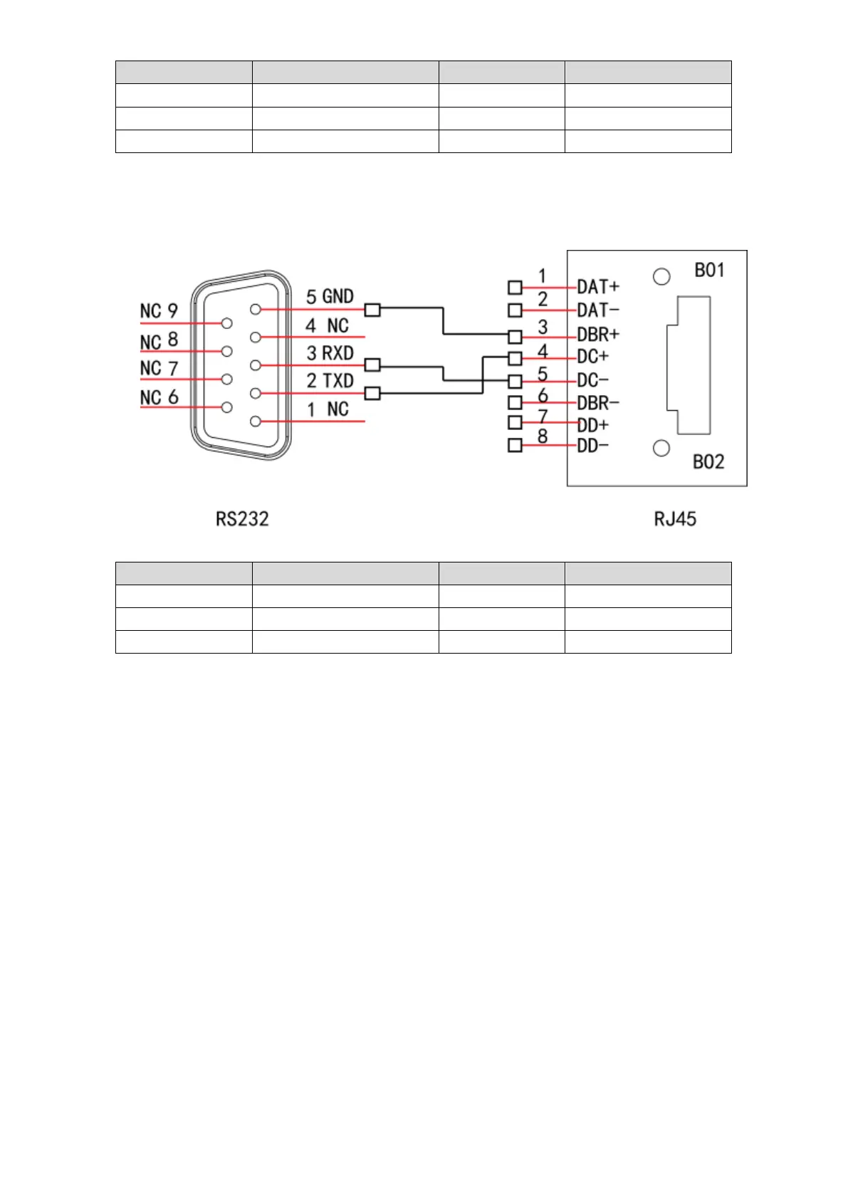
RJ45-RS-232 Connection Cable Definition 343
RJ45 (T568B)
RJ45 (Network cable)
RS-232
Signal Description
4
Blue
2
RXD
5
White and blue
3
TXD
3
White and green
5
GND
Straight Connection
Please refer to the following figure for straight cable connection information.
Please refer to the following table for straight connection information.
RJ45 (T568B)
RJ45 (Network cable)
RS-232
Signal Description
4
Blue
3
RXD
5
White and blue
2
TXD
3
White and green
5
GND
ZHEJIANG DAHUA VISION TECHNOLOGY CO., LTD.
Address: No.1199, Bin'an Road, Binjiang District, Hangzhou, P.R. China
Postcode: 310053
Tel: +86-571-87688883
Fax: +86-571-87688815
Email: overseas@dahuatech.com
Website: www.dahuasecurity.com

Table of Contents

Related product manuals