EasyManua.ls Logo

Daikin DCC072 SERIES - Page 89

Daikin DCC072 SERIES
139 pages
Print Icon
To Next Page IconTo Next Page
To Next Page IconTo Next Page
To Previous Page IconTo Previous Page
To Previous Page IconTo Previous Page
Loading...
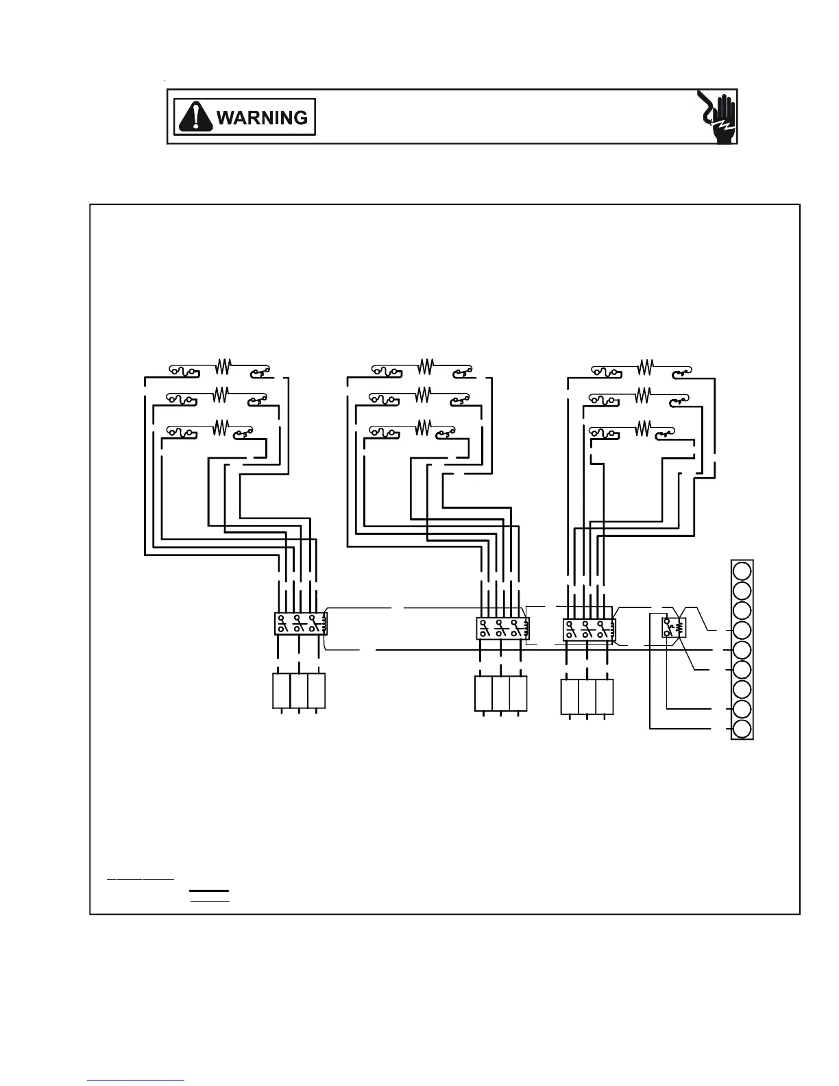
HEATER KIT WIRING DIAGRAMS
43
HIGH VOLTAGE!
DISCONNECT ALL POWER BEFORE SERVICING OR INSTALLING THIS
UNIT. MULTIPLE POWER SOURCES MAY BE PRESENT. FAILURE TO
DO SO MAY CAUSE PROPERTY DAMAGE, PERSONAL INJURY OR DEATH.
Wiring is subject to change. Always refer to the wiring diagram on the unit for the most up-to-date wiring.
EHK4-45
EHK4 - 45 HEAT KIT - 31.18 KW (400V)
COMPONENT CODE
PC = 9 PIN CONNECTOR
HTR = HEATER ELEMENT
TL = THERMAL LIMIT
RS = RELAY/SEQUENCER
FL = FUSE LINK
OP = OVERLOAD PROTECTION
LOW VOLTAGE
W
IRING CODE:
HIGH VOLTAGE
CT = CONTACTOR
MODEL - EHK3-45, EHK4-45, EHK7-45
BK
RD
YL
RD
9
WH
8
7
6
BL
5
4
3
2
PC
1
BK
FL
HTR 3
FL
FL
HTR 2
HTR 1
TL
TL
TL
YL
BK
RD
YL
RD
BK
FL
HTR 6
FL
FL
HTR 5
HTR 4
TL
TL
TL
RD
YL
PU
PU
BR
BK
RD
RD
YL
BK
YL
BK
RD
RD
YL
BK
YL
BK
RD
YL
RD
BK
FL
HTR 9
FL
FL
HTR 8
HTR 7
TL
TL
TL
RD
YL
BK
RD
RD
YL
BK
YL
RS1CT3
CT2
CT1
BK
BL
BL
BL
WH
WH
BR
0140L04074-A
LC
1
2
LC
1
2
LC
1
2
LC
1
2
LC
12
LC
1
2
LC
1
2
LC
1
2
LC
1
2
OP OP
L3
L2
L1
OP
BK
BK
BK
OP OP
L3
L2
L1
OP
BK
BK
BK
OP
OP
L3
L2
L1
OP
BK
BK
BK

Table of Contents

Other manuals for Daikin DCC072 SERIES

Related product manuals