EasyManua.ls Logo

Daikin DCC072 SERIES - Page 91

Daikin DCC072 SERIES
139 pages
Print Icon
To Next Page IconTo Next Page
To Next Page IconTo Next Page
To Previous Page IconTo Previous Page
To Previous Page IconTo Previous Page
Loading...
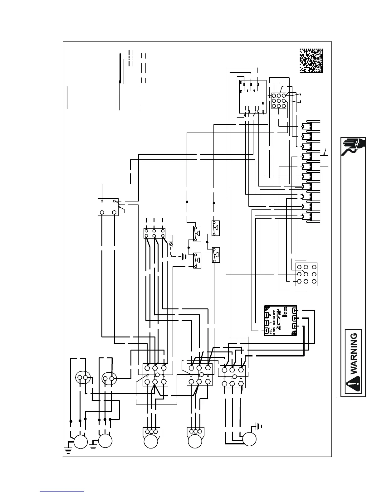
UNIT WIRING DIAGRAMS
HIGH VOLTAGE!
DISCONNECT ALL POWER BEFORE SERVICING OR INSTALLING THIS
UNIT. MULTIPLE POWER SOURCES MAY BE PRESENT. FAILURE TO
DO SO MAY CAUSE PROPERTY DAMAGE, PERSONAL INJURY OR DEATH.
45
Wiring is subject to change. Always refer to the wiring diagram on the unit for the most up-to-date wiring.
DCC090-150XXX6BXXX**
0140L06193-A
BK
CM1
RCCF1
F
C
CM 2
PU
RCCF2
F
C
COM P1
T2
T3
T1
L3
T3
C
L2
L1
T2
T1
CC1
YL
RD
BK
C
400
TR
24V
COM P 2
T2 T3T1
L3
T3
C
L2
L1
T2
T1
CC2
YL
RD
BK
BL
BL
BK
BK
PB
RD
RD
RD
BK
BK
BK
BK
LPS1
HPS1
YL
LPS 2
HPS 2
EM
L3
T3
C
L2
L1
T2
T1
BC
RD
OR
RD
BK
6
285
7
3 9
4
1
PLF 1
WH
GND
COLOR CODE
BK --------------- BLACK
BL --------------- BLUE
BR --------------- BROWN
OR --------------- ORANGE
PU --------------- PURPLE
RD --------------- RED
WH -------------- WHITE
YL --------------- YELLOW
PK --------------- PINK
GR---------------- GREEN
W
IRING CODE
FACTORY WIRING
HIGH VOLTAGE
LOW VOLTAGE
OPTIONAL HIGH VOLTAGE
OPTIONAL LOW VOLTAGE
F
IELD WIRING
HIGH VOLTAGE
LOW VOLTAGE
S1
S2
R
C
G
W1
W2
Y1
Y2
O
PK
COM
R
NC
NO
UP
C
K1
SPEED
K1
M1
XFMR-C
EBTDR
XFMR-R
M2
3
2
1
96
8
7
4
5
RD
WH
PU
PK
PK
PU
WH
YL
BR
GR
GR
GR
GR
BL
RD
BL
YL
PU
PU
PU
RD
BL
BR
OR
PU
YL
BL
OR
RD
BL
BR
BK
BK
PU
BR
BK
BR
YL
YL
RD
RD
GR
GR
GR
YL
OR
RD
BK
OR
OR
OR
BL
BL
BR
RD
OR
OR
YL
BL
BL
WH
RD
RD
RD
WH
G
RD
RD
OR
BK
BL
BL
BL
SEE NOTE 4
SEE NOTE 5
SEE NOTE 3
PLF 2
PU
PU
BK
GR
OR
OR
PU
BL
RD
BR
BL
BR
BK
++
USE N.E.C. CLASS 2 WIRE
THERMOSTAT
++
POWER SUPPLY
400/3/60
SEE N OTE 2
BL
L1 L2
L3
BK
RD
OR
BK
RD
OR
PK
PK
BL
PK
PK
PM
PK
BL

Table of Contents

Other manuals for Daikin DCC072 SERIES

Related product manuals