EasyManua.ls Logo

Daikin EWAQ-E - Page 116

Daikin EWAQ-E
209 pages
Print Icon
To Next Page IconTo Next Page
To Next Page IconTo Next Page
To Previous Page IconTo Previous Page
To Previous Page IconTo Previous Page
Loading...
D-EIMAC00804-14EU – 116/209
12. Før man isolerer vannrørene man kontrollere at det ikke finnes lekkasje.
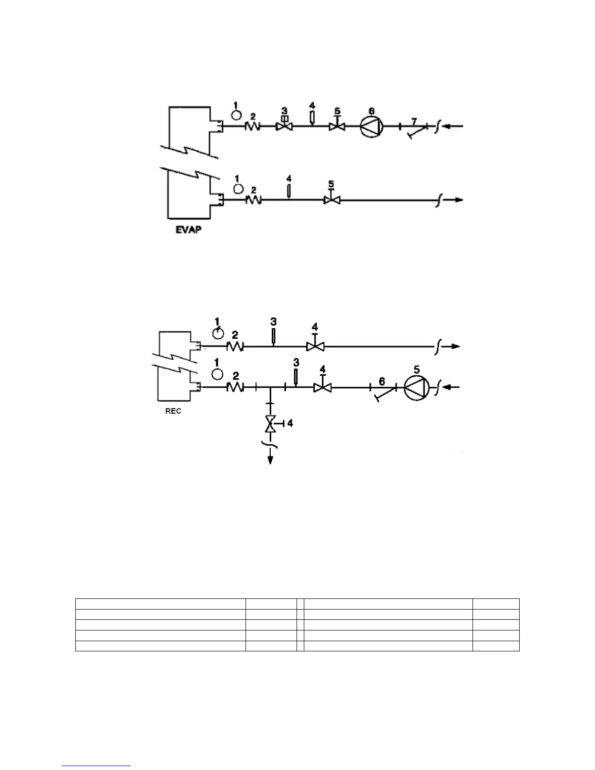
Figur 5 – Forbindelse av vannledninger for evaporator
1. Manometer
2. Fleksibelt forbindelsesstykke
3. Strømningsvakt
4. Temperaturføler
5. Avstengningsventil
6. Pumpe
7. Filter
Figur 6 – Forbindelse av vannrør for vekslere for varmegjenvinning
1. Manometer
2. Fleksibelt forbindelsesstykke
3. Temperaturføler
4. Avstengningsventil
5. Pumpe
6. Filter
Vannbehandling
Før man aktiverer enheten må vannkretsen renses. Skit,
kjelstein, korrosjonsavfall og andre materialer kan samle seg
inne i varmeveksleren og redusere dens kapasitet når det
gjelder varmeveksling. Det kan også forekomme trykkfall, med
redusert vannstrømning som følge. En skikkelig
vannbehandling reduserer derfor faren for korrosjon, erosjon,
kjelstein, osv. Hvilken vannbehandling som egner seg best
avhenger av type system og egenskapene til vannet hvor
enheten anvendes.
Produsenten kan ikke holdes ansvarlig for skader på eller en
eventuell feilfunksjon av utstyret grunnet en feil eller uegnet
behandling av vannet.
Tabell 1 – Akseptable grenser for vannets kvalitet
pH (25 °C)
6,8
÷
8,0
Total Hardhet (mg CaCO
3
/ l)
<
200
Elektrisk ledningsevne
µ
S/cm (25°C)
<
800
Jern (mg Fe / l)
<
1.0
Klorid-ion (mg Cl
-
/ l)
<
200
Sulfid ion (mg S
2
-
/ l) Ingen
Sulfat ion (mg SO
2
4
-
/ l)
<
200
Ammonium ion (mg NH
4
+
/ l)
<
1.0
Alkalitet (mg CaCO
3
/ l)
<
100
Silika (mg SiO
2
/ l)
<
50

Related product manuals