EasyManua.ls Logo

Daikin EWAQ-E - Page 136

Daikin EWAQ-E
209 pages
Print Icon
To Next Page IconTo Next Page
To Next Page IconTo Next Page
To Previous Page IconTo Previous Page
To Previous Page IconTo Previous Page
Loading...
D-EIMAC00804-14EU – 136/209
11. Jeżeli do systemu wodnego dodano glikol w celu ochrony
przed zamarzaniem, należy uważać na to, że ciśnienie
ssania będzie niższe, osiągi urządzenie będą niższe i
spadek ciśnienia wody będzie znaczny. Należy ponownie
wyregulować wszystkie systemy ochronne urządzenia
takie jak system zapobiegania zamarzaniu i system
ochrony przed niskim ciśnieniem.
12. Przed izolowaniem rurowej instalacji wodnej, należy
sprawdzić, czy nie przecieka.
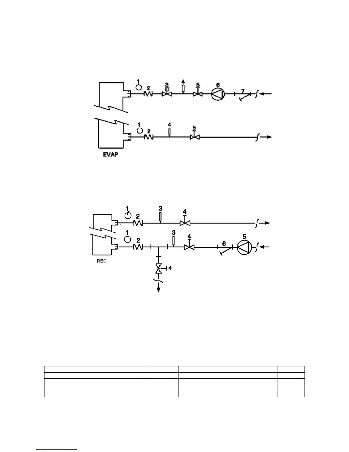
Rysunek 5 - Wodne połączenia rurowe parownika
1. Manometr
2. Łącznik elastyczny
3. Fluksostat
4. Sonda Temperatury
5. Zawór Odcinający
6. Pompa
7. Filtr
Rysunek 6 - Wodne połączenia rurowe wymienników odzyskiwania ciepła
1. Manometr
2. Łącznik elastyczny
3. Sonda Temperatury
4. Zawór Odcinający
5. Pompa
6. Filtr
Uzdatnianie wody
Przed uruchomieniem urządzenia, należy wyczyścić obwód
wodny. Brud, szlam, pozostałości po korozji i inny materiał
może zgromadzić się w wymienniku ciepła i osłabić jego
zdolność wymiany ciepła. Mogą się również zwiększyć spadki
ciśnienia, zmniejszając z ten sposób przepływ wody.
Prawidłowa obróbka wody zmniejsza więc ryzyko korozji,
erozji, szlamu itd. Najwłaściwszy rodzaj obróbki wody należy
określić na miejscu, zgodnie z typem cech układu oraz
cechami wody.
Producent nie jest odpowiedzialny za uszkodzenia sprzętu lub
jego nieprawidłowe funkcjonowanie spowodowane
nieprawidłowym przygotowaniem wody lub jego brakiem.
Tabela 1 - Dopuszczalne granice jakości wody
pH (25°C)
6,8
÷
8,0
Całkowita twardość (mg CaCO
3
/ l)
<
200
Konduktywność elektryczna
µ
S/cm (25°C)
<
800
Żelazo (mg Fe / l)
<
1.0
Jon chlorkowy (mg Cl
-
/ l)
<
200
Jon siarczkowy (mg S
2
-
/ l) Brak
Jon siarczanowy (mg SO
2
4
-
/ l)
<
200
Jon amonowy (mg NH
4
+
/ l)
<
1.0
Zasadowość (mg CaCO
3
/ l)
<
100
Dwutlenek krzemu (mg SiO
2
/ l)
<
50

Related product manuals