EasyManua.ls Logo

Daikin EWAQ-E - Page 156

Daikin EWAQ-E
209 pages
Print Icon
To Next Page IconTo Next Page
To Next Page IconTo Next Page
To Previous Page IconTo Previous Page
To Previous Page IconTo Previous Page
Loading...
D-EIMAC00804-14EU – 156/209
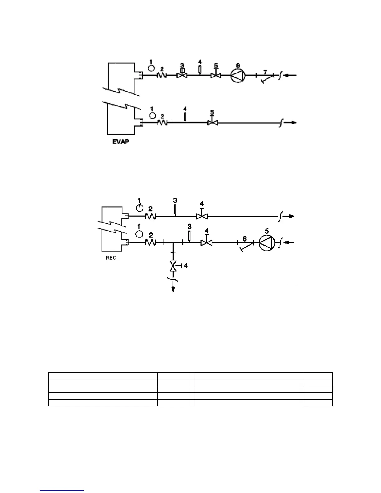
Slika 5 - Spajanje cijevi za vodu za isparivač
1. Tlakomjer
2. Fleksibilni priključak
3. Pozornik protoka
4. Temperaturna sonda
5. Ventil za izolaciju
6. Pumpa
7. Filter
Slika 6 - Spajanje cijevi za vodu uređaja za povrat topline
1. Tlakomjer
2. Fleksibilni priključak
3. Temperaturna sonda
4. Ventil za izolaciju
5. Pumpa
6. Filter
Tretman vode
Prije puštanja u rad uređaja, očistite vodni krug. Prljavština,
ljuske, otpaci hrđe i ostalog materijala se mogu nakupiti u
izmjenjivaču topline i smanjiti kapacitet izmjene topline. Može
se povećati tlak, čime se smanjuje protok vode. Pravilni
tretman vode u svakom slučaju smanjuje rizik od korozije,
erozije, stvaranja naslaga itd. Najprikladniji tretman vode se
mora odrediti na lokalnoj razini u skladu sa vrstom sustava i
značajkama vode.
Proizvođač neće biti odgovoran za oštećenja ili probleme u
radu opreme koja je posljedica nepravilno obavljenog tretmana
vode ili neuspjeha u tretmanu iste.
Tablica 1 - Prihvatljiva ograničenja kvalitete vode
pH (25°C)
6,8
÷
8,0
Ukupna Tvrdoća (mg CaCO
3
/ l)
<
200
Električna provodljivost
µ
S/cm (25°C)
<
800
Željezo (mg Fe / l)
<
1.0
Kloridni ion (mg Cl
-
/ l)
<
200
Sulfatni ion (mg S
2
-
/ l) Nijedan
Sulfatni ion (mg SO
2
4
-
/ l)
<
200
Amonijev ion (mg NH
4
+
/ l)
<
1.0
Alkalnost (mg CaCO
3
/ l)
<
100
Silicij (mg SiO
2
/ l)
<
50

Related product manuals