EasyManua.ls Logo

Daikin EWAQ-E - Page 166

Daikin EWAQ-E
209 pages
Print Icon
To Next Page IconTo Next Page
To Next Page IconTo Next Page
To Previous Page IconTo Previous Page
To Previous Page IconTo Previous Page
Loading...
D-EIMAC00804-14EU - 166/209
berendezés beszerelése előtt. Az új berendezés
beszerelése előtt a vizet megfelelő vegyszerekkel kezelni
kell, valamint tesztek végzésére van szükség.
11. Ha fagyállóként glikolt önt a vízvezeték rendszerbe,
ügyeljen arra, hogy a szívó nyomás és a berendezés
teljesítménye csökken, és a víz nyomásesése nő. A
berendezést védő elemeket pl. fagyálló, alacsony nyomás
elleni védelem ennek függvényében kell beállítani.
12. A vízvezeték szigetelése előtt ellenőrizze, hogy nincsenek-
e szivárgások.
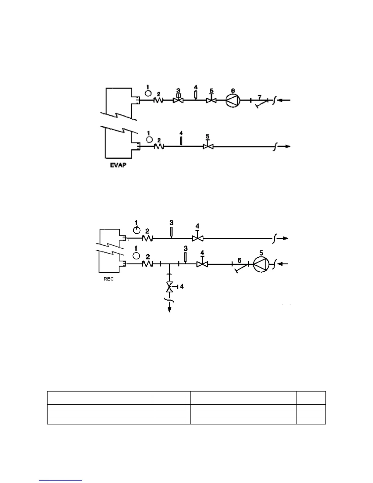
5 Ábra - A vízvezeték csatlakoztatása az elpárologtatóhoz
1. Nyomásmérő
2. Flexibilis csatlakozó
3. Nyomáskapcsoló
4. Hőmérséklet érzékelő
5. Elzáró szelep
6. Szivattyú
7. Szűrő
6 Ábra - Vízvezeték csatlakoztatása a hővisszanyerő hőcserélőkhöz
1. Nyomásmérő
2. Flexibilis csatlakozó
3. Hőmérséklet érzékelő
4. Elzáró szelep
5. Szivattyú
6. Szűrő
A víz kezelése
A berendezés üzembe helyezése előtt tisztítsa meg a
vízvezetéket. Szennyeződések, vízkő, korróziós üledék vagy
egyéb anyagok felhalmozódhatnak a hőcserélő belsejében
csökkentve ezzel a hőcserélő teljesítményét. Ezzel egy időben
nőhet a nyomásesés, amely a térfogatáram csökkenéséhez
vezet. A megfelelőzkezeléssel csökken a korrózió, erózió,
vízkőképzős, stb. veszélye. A legmegfelelőbb vízkezelési
módszert helyileg kell meghatározni a rendszer típusának és a
víz jellemzőinek függvényében.
A gyártó nem vonható felelősségre a vízkezelés hiánya vagy a
nem megfelelő vízkezelés okozta károkért vagy
üzemzavarokért.
1 Táblázat - A vízzel szemben támasztott minőségi követelmények határértékei
pH (25 °C)
6,8
÷
8,0
Teljes Vízkeménység (mg CaCO
3
/ l)
<
200
Elektromos vezetőképesség
µ
S/cm (25°C)
<
800
Vas (mg Fe/l)
<
1.0
Kloridion (mg Cl
-
/ l)
<
200
Szulfidion (mg S
2
-
/ l) Nincs
Szulfátion (mg SO
2
4
-
/ l)
<
200
Ammóniumion (mg NH
4
+
/ l)
<
1.0
Alkalinitás (mg CaCO
3
/ l)
<
100
Szilíciumdioxid (mg SiO
2
/ l)
<
50

Related product manuals