EasyManua.ls Logo

Daikin EWAQ-E - Page 186

Daikin EWAQ-E
209 pages
Print Icon
To Next Page IconTo Next Page
To Next Page IconTo Next Page
To Previous Page IconTo Previous Page
To Previous Page IconTo Previous Page
Loading...
D-EIMAC00804-14EU -186/209
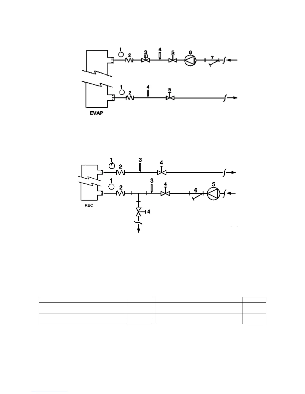
Obrázok 5 – Zapojenie vodných trubiek k výparníku
1. Manometer
2. Flexibilný konektor
3. Prietokomer
4. Tepelná sonda
5. Izolačný ventil
6. Čerpadlo
7. Filter
Obrázok 6 - Zapojenie vodných trubiek k výmeníkom rekuperácie tepla
1. Manometer
2. Flexibilný konektor
3. Tepelná sonda
4. Izolačný ventil
5. Čerpadlo
6. Filter
Úprava vody
Pred spustením zariadenia vyčistite vodný obvod. Nečistota,
vápnik, usadeniny korózie alebo iného materiálu sa môžu
hromadiť vo vnútri tepelného výmenníka a znížiť tak jeho
kapacitu tepelnej výmeny. Môže dôjsť aj k poklesu tlaku, k
zníženiu prietoku vody. Vhodná úprava vody môže teda znížiť
riziko korózie, erózie, formovania vápnika atď. Odpovedajúca
najvhodnejšia úprava sa určí priamo na mieste podľa typu
systému a vlastností vody.
Výrobca nezodpovedá za eventuálne škody alebo nesprávne
fungovanie zariadenia v dôsledku chýbajúcej alebo nevhodnej
úpravy vody.
Tabuľka 1 – Akceptovateľné limity kvality vody
pH (25°C)
6,8
÷
8,0
Celková tvrdosť (mg CaCO
3
/ l)
<
200
Elektrická vodivosť
µ
S/cm (25°C)
<
800
Železo (mg Fe / l)
<
1.0
Chloridové ióny (mg Cl
-
/ l)
<
200
Sulfidové ióny (mg S
2
-
/ l) Žiadne
Sulfátové ióny (mg S
2
4
-
/ l)
<
200
Amoniakové ióny (mg NH
4
+
/ l)
<
1.0
Zásaditosť (mg CaCO
3
/ l)
<
100
Oxyd kremičitý (mg SiO
2
/ l)
<
50

Related product manuals