EasyManua.ls Logo

Daikin EWAQ-E - Page 56

Daikin EWAQ-E
209 pages
Print Icon
To Next Page IconTo Next Page
To Next Page IconTo Next Page
To Previous Page IconTo Previous Page
To Previous Page IconTo Previous Page
Loading...
D-EIMAC00804-14EU – 56/209
se menor y hab un mayor descenso de la presn del agua.
Todos los sistemas de proteccn de unidad, como el
anticongelante y la proteccn de baja presión, tendrán que ser
reajustados.
12. Antes de aislar las tuberías de agua, verifique que no hay fugas.
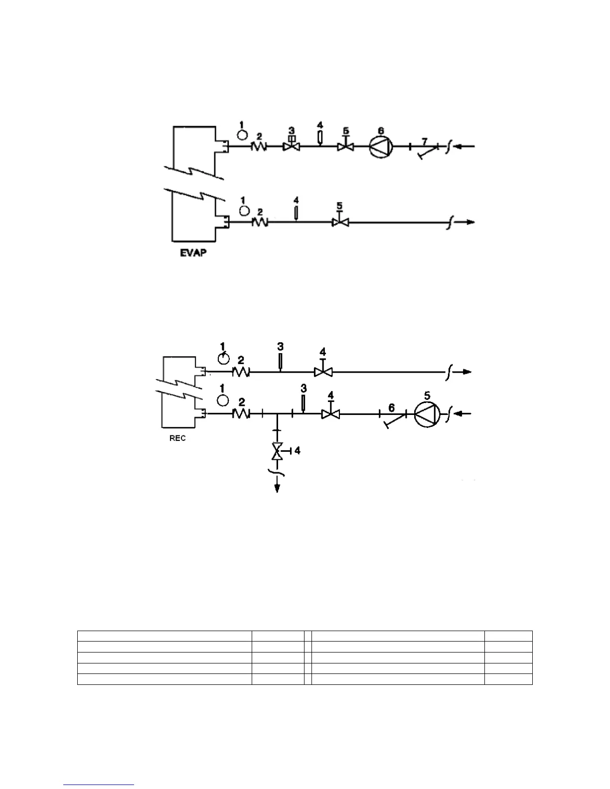
Figura 5 - Conexión de la tubería de agua al evaporador
1. Manómetro
2. Conectador flexible
3. Interruptor del flujo
4. Sonda de temperatura
5. Válvula de aislamiento
6. Bomba
7. Filtro
Figura 6 - Conexión de la tubería de agua a los intercambiadores del recuperador de calor
1. Manómetro
2. Conectador flexible
3. Sonda de temperatura
4. Válvula de aislamiento
5. Bomba
6. Filtro
Tratamiento del agua
Antes de poner en funcionamiento la unidad, limpie el circuito
del agua. Suciedad, sarro, restos de la corrosión y otros
materiales pueden acumularse en el interior del
intercambiador de calor y reducir su capacidad de intercambio
de calor. También el descenso de la presión podría aumentar,
reduciendo el flujo de agua. Un tratamiento adecuado del
agua reduce el riesgo de corrosión, erosión, formación de
sarro, etc. El tipo de tratamiento más adecuado debe ser
determinado a nivel local, de acuerdo con el tipo de sistema y
las características del agua.
El fabricante no es responsable por daños o mal
funcionamientos del equipo causados por la falta de
tratamiento del agua o por un tratamiento no adecuado.
Tabla 1 - Límites admisibles de calidad del agua
pH (25°C)
6,8
÷
8,0
Dureza total (mg de CaCO
3
/ l)
<
200
Conductibilidad eléctrica
µ
S/cm (25°C)
<
800
Hierro (mg de Fe / l)
<
1.0
Ion cloruro (mg de Cl
-
/ l)
<
200
Ion sulfuro (mg de S
2
-
/ l) Ninguno
Ion sulfato (mg de SO
2
4
-
/ l)
<
200
Ion amonio (mg de NH
4
+
/ l)
<
1.0
Alcalinidad (mg de CaCO
3
/ l)
<
100
Sílice (mg de SiO
2
/ l)
<
50

Related product manuals