EasyManua.ls Logo

Daikin EWAQ-E - Page 76

Daikin EWAQ-E
209 pages
Print Icon
To Next Page IconTo Next Page
To Next Page IconTo Next Page
To Previous Page IconTo Previous Page
To Previous Page IconTo Previous Page
Loading...
D-EIMAC00804-14EU – 76/209
µονάδες προστασίας των συστηµάτων, όπως το αντιψυκτικό και η
προστασία χαµηλής πίεσης θα πρέπει να αναπροσαρµοστούν.
12. Πριν µονώσετε τις σωληνώσεις νερού, βεβαιωθείτε ότι δεν υπάρχουν
διαρροές.
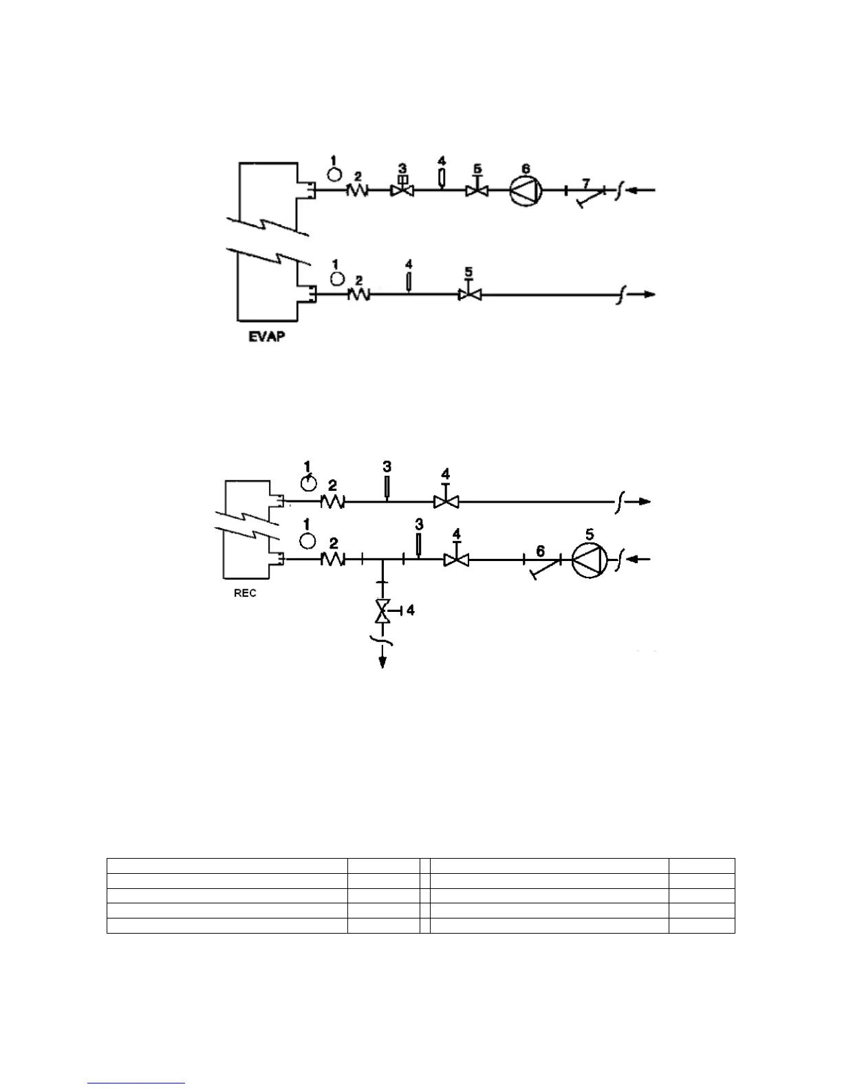
Σχέδιο 5 - Σύνδεση σωληνώσεων νερού για εξατµιστή
1. Μανόµετρο
2. Ευέλικτη σύνδεση
3. ιακόπτης ροής
4. Αισθητήρας θερµοκρασίας
5. Βαλβίδα Αποµόνωσης
6. Αντλία
7. Φίλτρο
Σχέδιο 6 - Σύνδεση σωληνώσεων νερού για εναλλάκτες ανάκτησης θερµότητας
1. Μανόµετρο
2. Ευέλικτη σύνδεση
3. Αισθητήρας θερµοκρασίας
4. Βαλβίδα Αποµόνωσης
5. Αντλία
6. Φίλτρο
Επεξεργασία νερού
Πριν θέσετε σε λειτουργία τη µονάδα, καθαρίστε το κύκλωµα
νερού. Βρωµιά, πουρί, κατάλοιπα διάβρωσης και άλλα υλικά
µπορεί να συσσωρευτούν µέσα στον εναλλάκτη θερµότητας
και να µειώσουν την ικανότητα εναλλαγής θερµότητας. Η πίεση
µπορεί επίσης να αυξηθεί, µειώνοντας έτσι τη ροή του νερού.
Η κατάλληλη επεξεργασία του νερού µειώνει ωστόσο τον
κίνδυνο διάβρωσης, πουρί, κλπ. Η καταλληλότερη
επεξεργασία νερού θα πρέπει να καθορίζεται τοπικά,
σύµφωνα µε τον τύπο του συστήµατος και τα χαρακτηριστικά
του νερού.
Ο κατασκευαστής δεν ευθύνεται για ζηµιές ή δυσλειτουργίες
του εξοπλισµού λόγω ελλιπούς ή ακατάλληλης επεξεργασίας
του νερού.
Πίνακας 1 - Αποδεκτά όρια ποιότητας του νερού
pH (25°C)
6,8
÷
8,0
Ολική Σκληρότητα (mg CaCO
3
/ l)
<
200
Ηλεκτρική αγωγιµότητα
µ
S/cm (25°C)
<
800
Σίδηρος (mg Fe / l)
<
1.0
Ιόν χλωρίου (mg CaCO
3
/ l)
<
200
Θειούχο ιόν (mg CaCO
3
/ l) Κανένα
Θειικό ιόν (mg SO
2
4
-
/ l)
<
200
Ιόν αµµωνίου (mg NH
4
+
/ l)
<
1.0
Αλκαλικότητα (mg CaCO
3
/ l)
<
100
Πυρίτιο (mg CaCO
2
/ l)
<
50

Related product manuals