EasyManua.ls Logo

Daikin EWAQ-E - Page 86

Daikin EWAQ-E
209 pages
Print Icon
To Next Page IconTo Next Page
To Next Page IconTo Next Page
To Previous Page IconTo Previous Page
To Previous Page IconTo Previous Page
Loading...
D-EIMAC00804-14EU – 86/209
unidade, como o antigelo e a proteção da baixa pressão,
deverão ser ajustados novamente.
12. Antes de isolar os tubos da água, controlar que não haja
vazamentos.
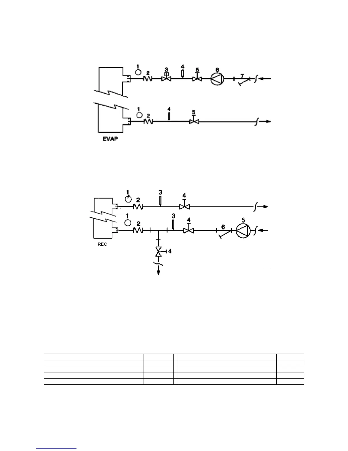
Figura 5 – Ligação dos tubos da água para o evaporador
1. Manómetro
2. Conector flexível
3. Fluxóstato
4. Sonda de temperatura
5. Válvula de isolamento
6. Bomba
7. Filtro
Figura 6 - Ligação dos tubos da água para os cambiadores de recuperação de calor
1. Manômetro
2. Conector flexível
3. Sonda de temperatura
4. Válvula de isolamento
5. Bomba
6. Filtro
Tratamento da água
Antes de acionar a unidade limpar o circuito da água.
Sujidade, calcário, detritos de corrosão e outro material podem
depositar-se dentro do cambiador de calor reduzindo a sua
capacidade de troca térmica. Pode aumentar também a queda
de pressão, reduzindo o fluxo da água. Um tratamento
adequado da água pode, portanto, reduzir o risco de corrosão,
erosão, formação de calcário, etc. O tratamento da água mais
apropriado deve ser definido localmente, com base no tipo de
sistema e das características da água.
O fabricante não é responsável por danos ao equipamento ou
maus funcionamentos causados por falta de tratamento da
água ou tratamento inadequado.
Tabela 1 - Limites de qualidade da água aceitáveis
pH (25°C)
6,8
÷
8,0
Dureza total (mg CaCO
3
/ l)
<
200
Condutividade elétrica
µ
S/cm (25°C)
<
800
Ferro (mg Fe / l)
<
1,0
Ião cloreto (mg Cl
-
/ l)
<
200
Ião sulfato (mg S
2
-
/ l) Nenhum
Ião sulfato (mg S
2
4
-
/ l)
<
200
Ião amónio (mg NH
4
+
/ l)
<
1,0
Alcalinidade (mg CaCO
3
/ l)
<
100
Sílica (mg SiO
2
/ l)
<
50

Related product manuals