EasyManua.ls Logo

Daikin FWF05C - Page 155

Daikin FWF05C
167 pages
Print Icon
To Next Page IconTo Next Page
To Next Page IconTo Next Page
To Previous Page IconTo Previous Page
To Previous Page IconTo Previous Page
Loading...
151
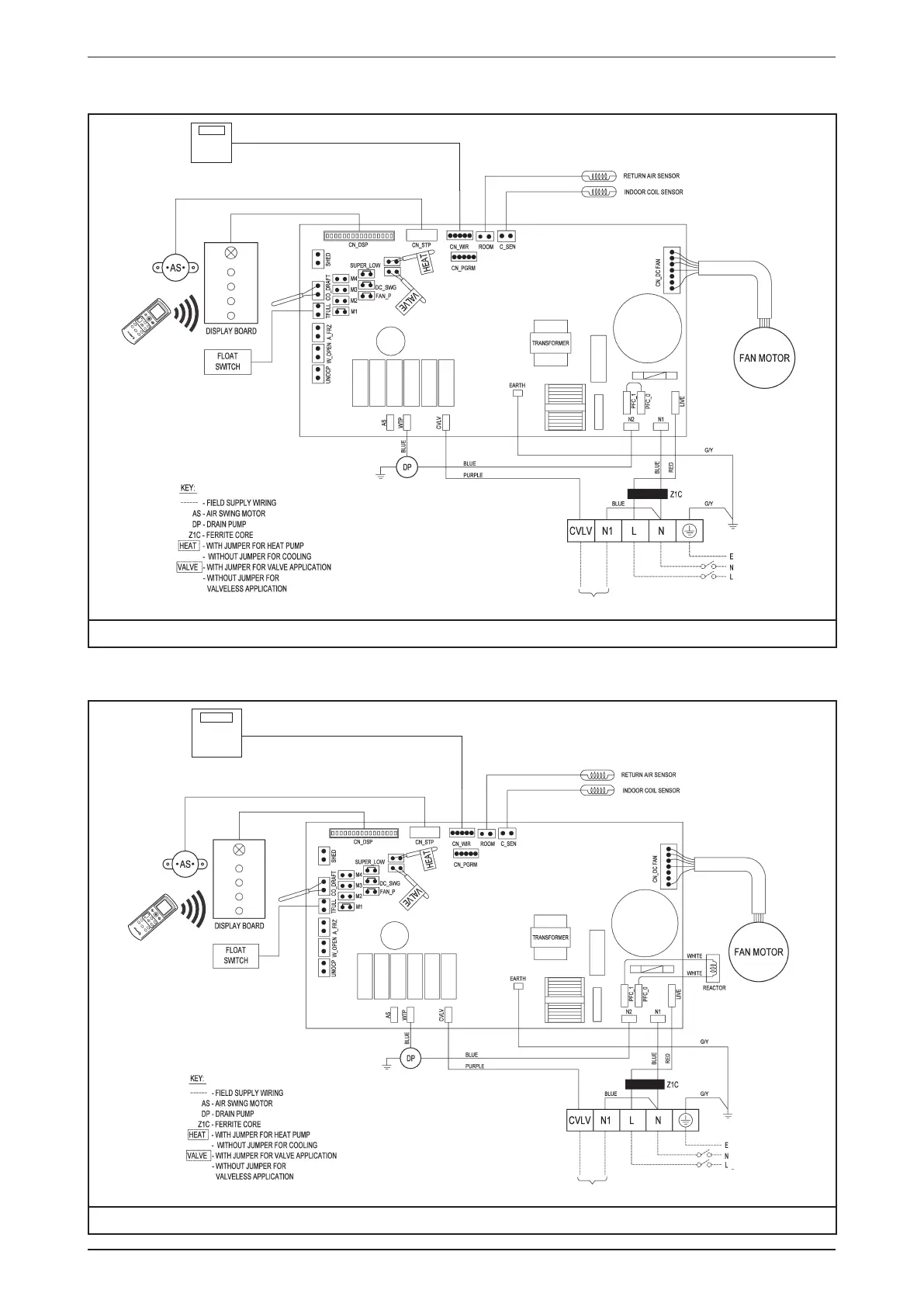
Wiring Diagrams
Model: FWKE05/08E
TO 2/3 WAY VALVE
TURBO
QUIET SLEEP
MODE
TIMER
CANCEL
ON OFF
SWIN
G FAN
CANCEL
CLOCK
POWER SUPPLY
220-240V/1Ph/50Hz
WIRED
CONTROLLER
(OPTIONAL)
Note: Please do not install using third party controller as this will affect the functionality of unit feature
Model: FWKE11E
TO 2/3 WAY VALVE
TURBO
QUIET SLEEP
MODE
TIMER
CANCEL
ON OFF
SWIN
G FAN
CANCEL
CLOCK
POWER SUPPLY
220-240V/1Ph/50Hz
WIRED
CONTROLLER
(OPTIONAL)
Note: Please do not install using third party controller as this will affect the functionality of unit feature

Related product manuals