EasyManua.ls Logo

Daikin FWP Series - Page 36

Daikin FWP Series
40 pages
Print Icon
To Next Page IconTo Next Page
To Next Page IconTo Next Page
To Previous Page IconTo Previous Page
To Previous Page IconTo Previous Page
Loading...
8
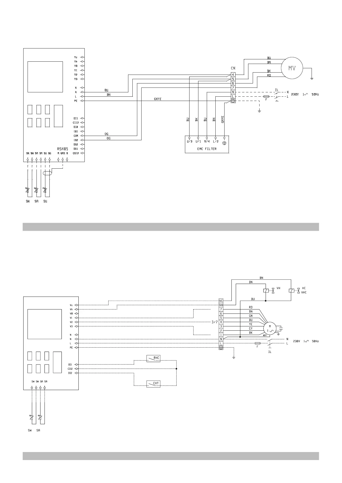
FWEC3A
FWEC1A
9

Related product manuals