EasyManua.ls Logo

Daikin RN35DV1 - Wiring Diagrams; FH-CB; FHN62 CV1 L;FHN62 CV1 M Wiring

Daikin RN35DV1
100 pages
Print Icon
To Next Page IconTo Next Page
To Next Page IconTo Next Page
To Previous Page IconTo Previous Page
To Previous Page IconTo Previous Page
Loading...
66
TM-FLH-0515-C
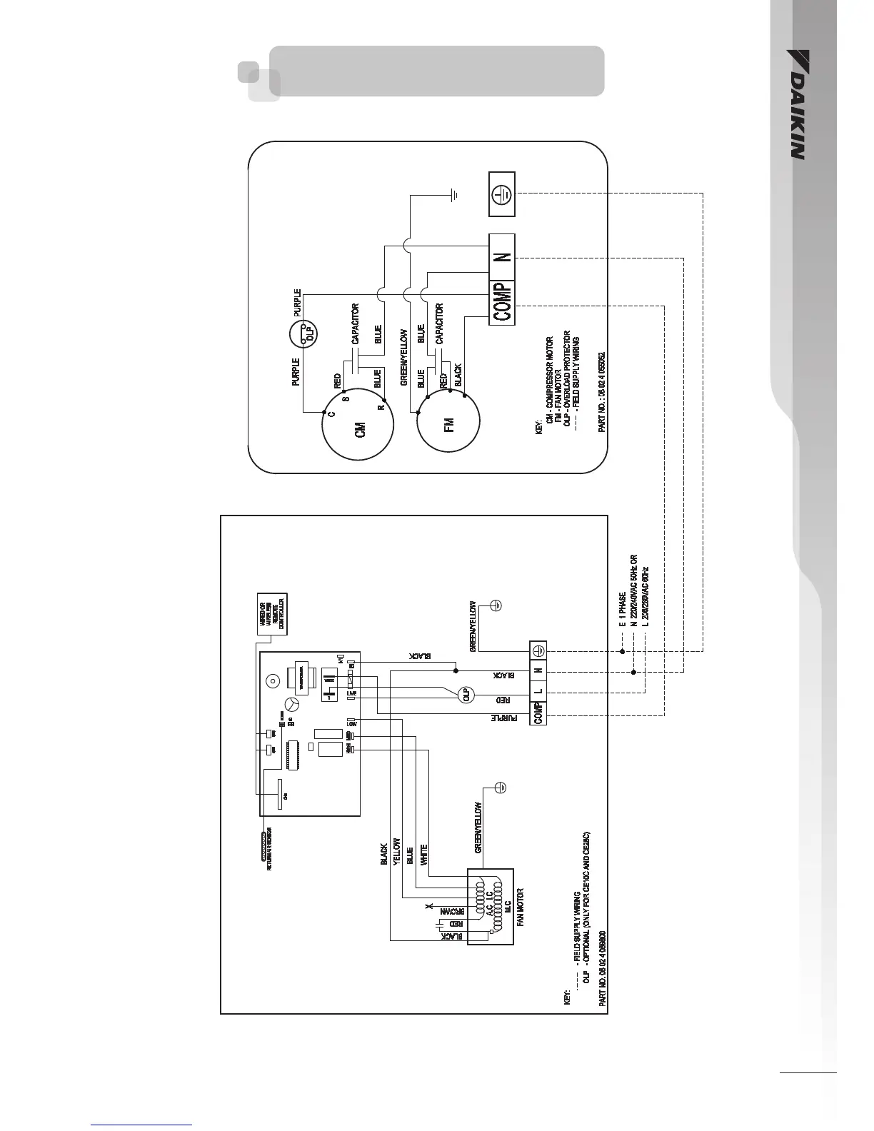
6.WiringDiagrams
Outdoor Unit
Model : R15CV1
Indoor Unit
Model : FH15CBV1L, FH15CBV1M

Related product manuals