EasyManua.ls Logo

Daikin RN35DV1 - FH40;50;61 CBV1 L, FH40;50;61 CBV1 M Wiring

Daikin RN35DV1
100 pages
Print Icon
To Next Page IconTo Next Page
To Next Page IconTo Next Page
To Previous Page IconTo Previous Page
To Previous Page IconTo Previous Page
Loading...
73
TM-FLH--0515-C
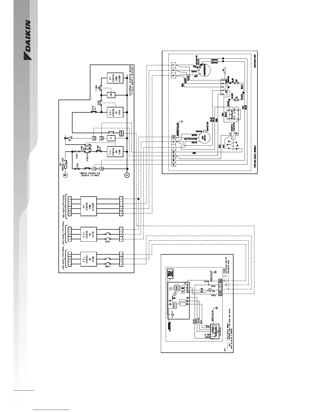
Model : R40/50DY1
Model : FH40/50CBV1L, FH40/50CBV1M

Related product manuals