EasyManua.ls Logo

Daikin RXJ42A2V1B - Page 87

Daikin RXJ42A2V1B
100 pages
Print Icon
To Next Page IconTo Next Page
To Next Page IconTo Next Page
To Previous Page IconTo Previous Page
To Previous Page IconTo Previous Page
Loading...
7 | Technical data
Service manual
87
RXJ20~50A + FTXJ-A(W)(S)(B)
Split Emura 3 R32
ESIE22-04 – 2022.04
FTXJ42+50A
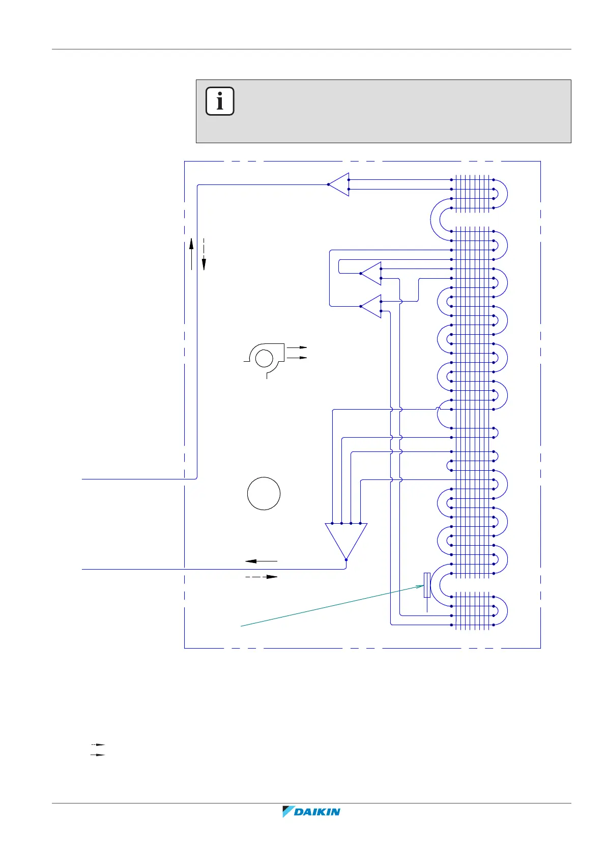
INFORMATION
The diagrams shown in this manual may be incorrect due to changes/updates to the
unit. Correct diagrams are supplied with the unit and can also be found in the
technical data book.
a
b
c
d
R1T
M1F
·12.7· CuT
·6.4· CuT
e
e
M
e
e
a Field piping (liquid: Ø6.4mm flare connection)
b Field piping (gas: Ø9.5mm flare connection)
c Crossflow fan
d Heat exchanger
e Distributor
M1F Fan motor
R1T Thermistor (heat exchanger)
Heating
Cooling
draft–22/04/2022 08:50