EasyManua.ls Logo

dallara F305 - Ride Height Check and References; Front Ride Height; Rear Ride Height

Default Icon
37 pages
Print Icon
To Next Page IconTo Next Page
To Next Page IconTo Next Page
To Previous Page IconTo Previous Page
To Previous Page IconTo Previous Page
Loading...
19 RIDE HEIGHT CHECK AND REFERENCES
Ride height is fundamental to setting and changing the aero balance of the car.
A lower car generally generates more down-force than a higher car.
A lower car improves performance as it features a lower centre of gravity.
The easiest way to measure ride heights is checking the FR and RR distances
between the floor wood and the set-up floor, with the driver on board and tyres at
hot tyre pressure. This is the only method which takes into account the ride height
changes caused by wear on the floor wood.
It might sometimes be difficult to measure ride heights directly, so we also provide alternative
references.
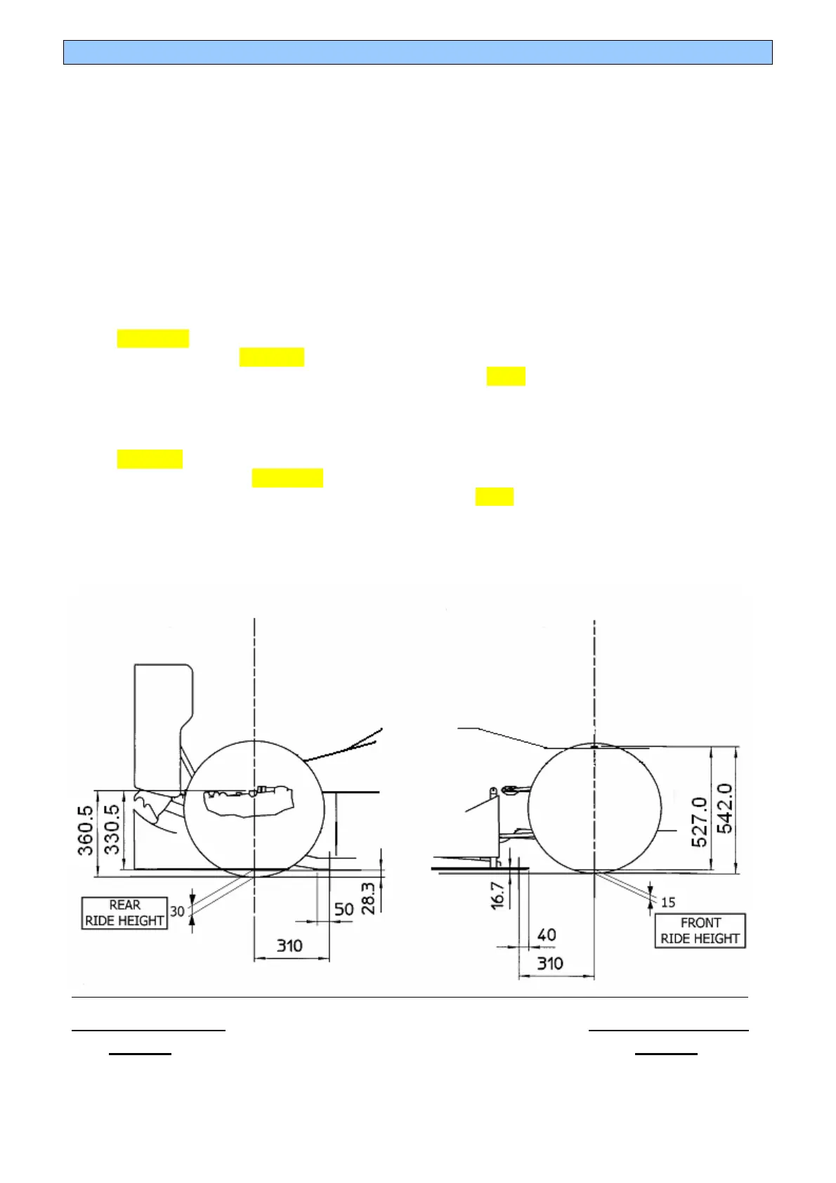
The example shows front ride height 15mm and rear 30mm (at wheel axis).
With 2710mm wheelbase, this gives 0.32 ° pitch angle. [(30 – 15) / 2710] x 57.29 = 0.32°
At the front end of the car you have two alternative references:
Two platforms 527.0mm from car bottom, on top of the tub at the wheel axle line. You can
measure their distance from the ground as 542.0 - 527.0 = 15mm ride height
A flat surface (skid) about 310 mm behind the wheel axis and 40 mm behind the skid
leading edge. Measure its distance from ground as 16.7 - (tan0.32°*310)=15mm
At the rear end of the car you have two alternative references:
Two platforms, at 330.0 mm from car bottom, on the gearbox at wheel axle line. You can
measure their distance from the ground as 360.0 – 330.0 = 30mm height
Under the flat bottom, about 310 mm ahead of rear wheel axis and 50mm ahead of the start
of the diffuser. Measure and calculate its distance from ground as
(tan0.32° *310) + 28.3 (measured)= 30mm height
REAR RIDE HEIGHT FRONT RIDE HEIGHT
30mm 15mm

Related product manuals