EasyManua.ls Logo

D&K Minikote - Exploded Diagram

D&K Minikote
17 pages
Print Icon
To Next Page IconTo Next Page
To Next Page IconTo Next Page
To Previous Page IconTo Previous Page
To Previous Page IconTo Previous Page
Loading...
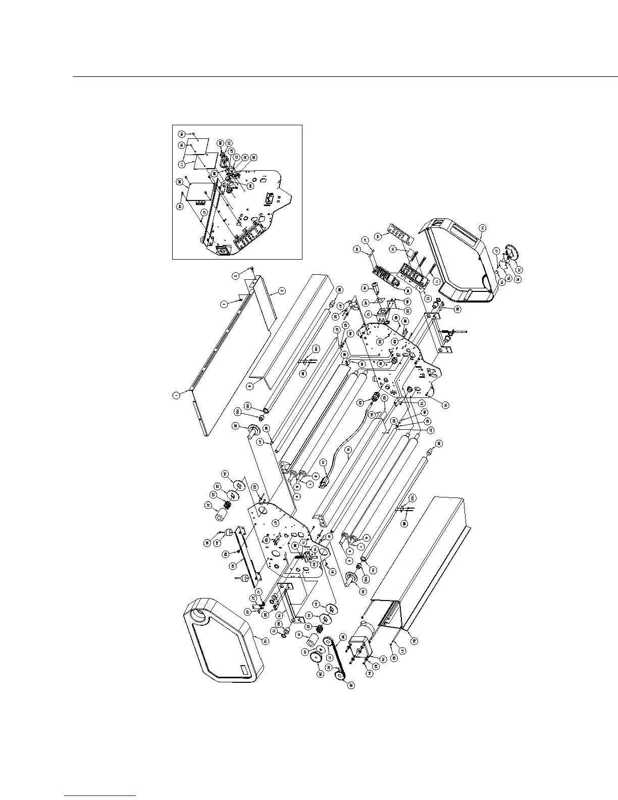
EXPLODED VIEW
14
LEFT SIDE PANEL ELECTRONICS
EXPLODED VIEW
Laminator.com www.laminator.com

Related product manuals