EasyManua.ls Logo

Danfoss FP975 - Wiring Diagrams

Danfoss FP975
16 pages
Print Icon
To Next Page IconTo Next Page
To Next Page IconTo Next Page
To Previous Page IconTo Previous Page
To Previous Page IconTo Previous Page
Loading...
FP975
10
GB
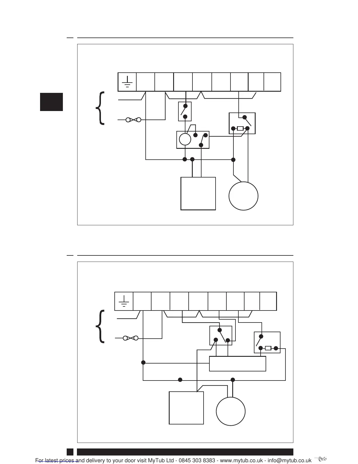
3.7 230 Vac Fully Pumped System
3-Port Mid-Position Valve PUMPED Switch Selection
N L 1 2 3 4 5 6
N
L
BOILER
PUMP
ATC
RMT
MAINS
fused 3A
DHW
ON
DHW
OFF
DHW
COM
HTG
ON
HTG
OFF
HTG
COM
HS3
HEAT
SHARE
Earths not
shown.
Ensure
continuity
throughout
230
Vac
3.6 230 Vac Controlled Gravity Hot Water
Pumped Heating System PUMPED Switch Selection
N L 1 2 3 4 5 6
N
L
BOILER
PUMP
ATC
RMT
MAINS
fused 3A
DHW
ON
DHW
OFF
DHW
COM
HTG
ON
HTG
OFF
HTG
COM
HP28C
Earths not
shown.
Ensure
continuity
throughout
230
Vac
For latest prices and delivery to your door visit MyTub Ltd - 0845 303 8383 - www.mytub.co.uk - info@mytub.co.uk

Other manuals for Danfoss FP975