EasyManua.ls Logo

Danfoss VLT 5027 - Page 11

Danfoss VLT 5027
45 pages
To Next Page IconTo Next Page
To Next Page IconTo Next Page
To Previous Page IconTo Previous Page
To Previous Page IconTo Previous Page
Loading...
11
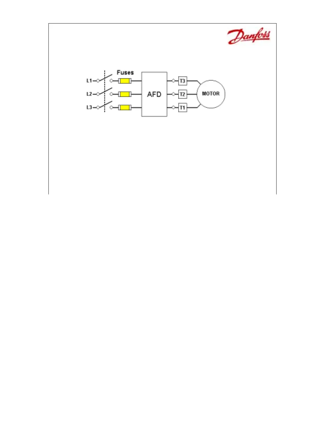
Installation Checks
Fuses must be installed
Sized using Pages 34-35 in Instruction Manual
To comply with UL / cUL, fuses must be wired on the incoming power side of the drive. The
types of fuses are shown in the technical data section of the instruction manual. In the
example above fuses and a disconnect switch are diagramed. To comply with UL never wire
the drive to circuit breakers because they do not trip as fast as fuses.

Other manuals for Danfoss VLT 5027

Related product manuals