EasyManua.ls Logo

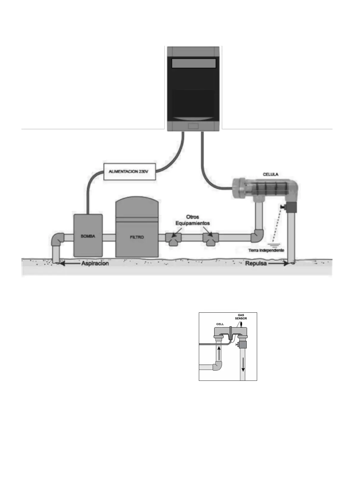
Davey ProMatic MPS 36 - 9 Anexo 1 - Esquema de Instalacion

Davey ProMatic MPS 36
76 pages
Print Icon
To Next Page IconTo Next Page
To Next Page IconTo Next Page
To Previous Page IconTo Previous Page
To Previous Page IconTo Previous Page
Loading...
75
MPS50 Celula

Table of Contents

Related product manuals