EasyManua.ls Logo

DAZE DazeBox C - Page 14

Default Icon
32 pages
Print Icon
To Next Page IconTo Next Page
To Next Page IconTo Next Page
To Previous Page IconTo Previous Page
To Previous Page IconTo Previous Page
Loading...
DAZEBOX
14.
C
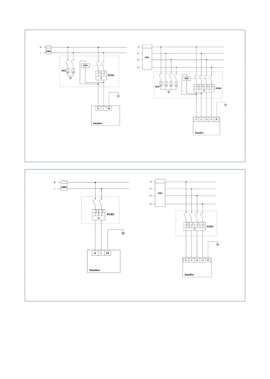
IT - DazeBox C monofase e trifase con RCBO+SPD+POP (installazione per il mercato spagnolo).
EN - DazeBox C single-phase and three-phase with RCBO+SPD+POP (installation for the Spanish market).
FR - DazeBox C monophasée et triphasée avec RCBO + SPD + POP (installation pour le marché espagnol).
DE - DazeBox C einphasig und dreiphasig mit RCBO + SPD + POP (Installation für den spanischen Markt).
IT - DazeBox C monofase e trifase con RCBO (installazione per nazioni che non richiedono dispositivi di sicurezza aggiuntivi).
EN - DazeBox C single-phase and three-phase with RCBO (installation for countries that do not require additional safety devices).
FR - DazeBox C monophasée et triphasée avec RCBO (installation pour les pays ne nécessitant pas de dispositifs de sécurité supplémentaires).
DE - DazeBox C einphasig und dreiphasig mit RCBO (Installation für Länder, die keine zusätzlichen Sicherheitsvorrichtungen erfordern).

Related product manuals