EasyManua.ls Logo

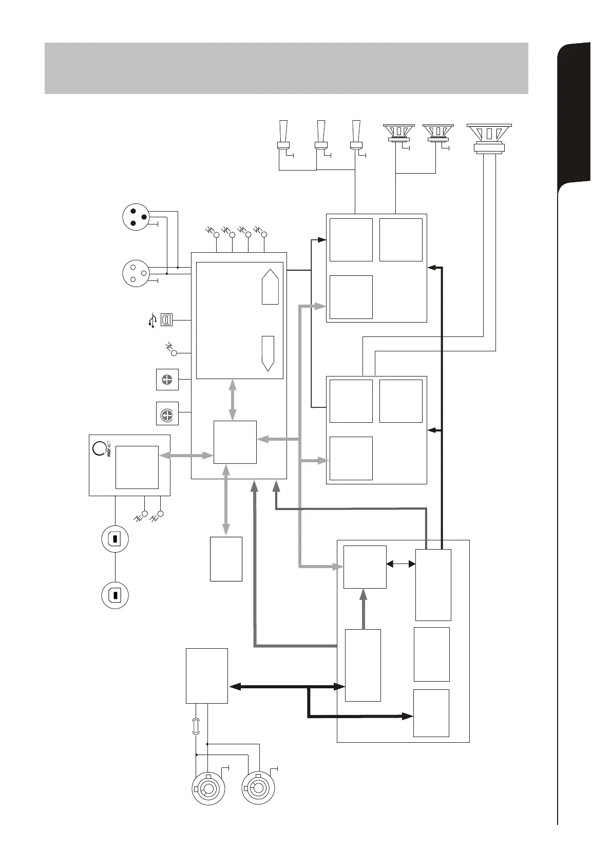
dB Technologies DVA T12 - BLOCK DIAGRAM

dB Technologies DVA T12
18 pages
Print Icon
To Next Page IconTo Next Page
To Next Page IconTo Next Page
To Previous Page IconTo Previous Page
To Previous Page IconTo Previous Page
Loading...
ADC
CPU
(SLAVE)
BALANCED
LINK/OUTPUT
RDNET
L
N
FULL RANGE
MAINS INPUT
MAINS LINK
WOOFER 8”
MIDRANGE 6,5”
COMPRESSION
DRIVER 1”
COMPRESSION
DRIVER 1”
Switching Mode
Power Supply
PFC
Power Factor
Correction
SMPS
MAINS
FUSE
DSP
28/56 bit Audio processor core
Power Supply Unit
PSU main
ADC
Analogic Digital
Converter
Digital Analogic
Converter
COMPRESSION
DRIVER 1”
MIDRANGE 6,5”
Class D
DIGIPRO
300W RMS
Class D
DIGIPRO
300W RMS
Class D
DIGIPRO
300W RMS
AMPLIFIER
MODULE
2
EMI filter
ElectroMagnetic
Interference
filter
Power Supply Unit
PSU auxiliary
CPU
(SLAVE)
CPU
(MASTER)
Filtered AC
Ready
Limiter
Signal
Mute/Prot
Data
Input
Data
Link
Optional
Device
Service
Data
USB
Remote
Preset
Active
Link
Active
0dB
+4dB
Input
Sens
0
1
2
3
4
5
6
7
8
9
DSP
Preset
BALANCED
INPUT
Class D
DIGIPRO
300W RMS
Class D
DIGIPRO
300W RMS
Class D
DIGIPRO
300W RMS
POWER SUPPLY
1
CPU
(SLAVE)
CPU
(SLAVE)
Balanced
Audio
High voltage
I2C
(serial communication)
I2C
I2C
(serial communication)
Digital Signal Processor
I2C
(serial communication)
AMPLIFIER
MODULE
PREAMPLIFIER
MODULE
Auxiliary voltage
Low voltage
Balanced
Audio
RS485
44
SCHEMA A BLOCCHI - BLOCK DIAGRAM
BLOCKSCHALTBILD - SCHEMAS FONCTIONNELS
DIMENSIONI / DIMENSIONS
ABMESSUNGEN / DIMENSIONS
43

Related product manuals