EasyManua.ls Logo

dB Technologies OPERA SUB 15 - Page 8

dB Technologies OPERA SUB 15
12 pages
Print Icon
To Next Page IconTo Next Page
To Next Page IconTo Next Page
To Previous Page IconTo Previous Page
To Previous Page IconTo Previous Page
Loading...
25
26
3
4
1
2
5
5
12
13
14
15
11
10
9
7
6
8
L
N
MAINS
OUTPUT
LINK
SCHEMA A BLOCCHI
BLOCK DIAGRAM
BLOCKSCHALTBILD
SCHEMAS FONCTIONNELS
mute
rele’ control
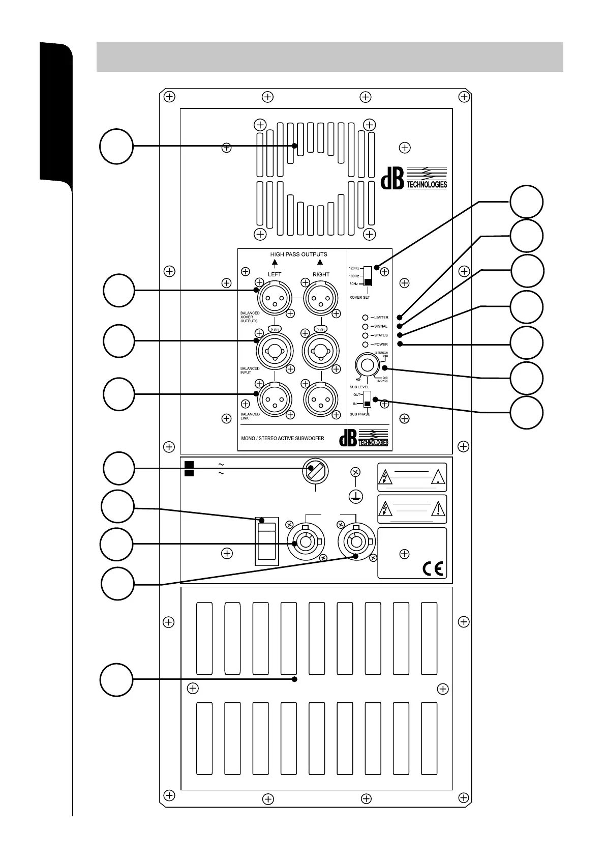
WOOFER 15”
thermal
current
voltage
sensors
SIGNAL
INDICATOR
STATUS
INDICATOR
POWER
INDICATOR
BALANCED
INPUT
LIMITER
INDICATOR
BALANCED
LINK
MICROCONTROLLER
Low-pass
filter
12dB/oct
High-pass
filter
12dB/oct
X-OVER SET
80Hz-100Hz-120Hz
BALANCED
INPUT
BALANCED
LINK
OUT PHASE
0° / 180°
LEFT
RIGHT
High-pass
filter
12dB/oct
LEFT
RIGHT
MAINS
INPUT
BALANCED
XOVER
OUTPUT
BALANCED
XOVER
OUTPUT
220-240V 50-60Hz (FUSE T 5A)
OUTPUT LINK
INPUT
Internal voltage setup
MODULE POWER
CONSUMPTION
220-240V AC MAX 15A
110-120V AC MAX 10A
900 VA MAX
110-120V 50-60Hz (FUSE T10A)
MAINS
POWER
ON
FUSE
MAINS
OPERA SUB 15OPERA SUB 15
Made in Italy
"AVIS"
RISQUE DE CHOC ELECTRIQUE
NE PAS OUVRIR
POUR PREVENIR TOUT RISQUE DE FEU
REPLACER UN FUSIBLE
DE MÊME CARACTERISTIQUES
CET APPAREIL DOIT ÊNTRE RELIÉ A LA TERRE
"CAUTION"
TO PREVENT ELECTRICAL SHOCK
DO NOT REMOVE COVER
TO PREVENT RISK OF FIRE
REPLACE FUSES WITH
SAME TYPE AND RATINGS
THIS APPARATUS MUST BE EARTHED
MODEL : SERIAL N.
MICROPROCESSOR
CONTROL SYSTEM
FIG. 1

Related product manuals