EasyManua.ls Logo

Dea 220H - Page 5

Dea 220H
Print Icon
To Next Page IconTo Next Page
To Next Page IconTo Next Page
To Previous Page IconTo Previous Page
To Previous Page IconTo Previous Page
Loading...
3
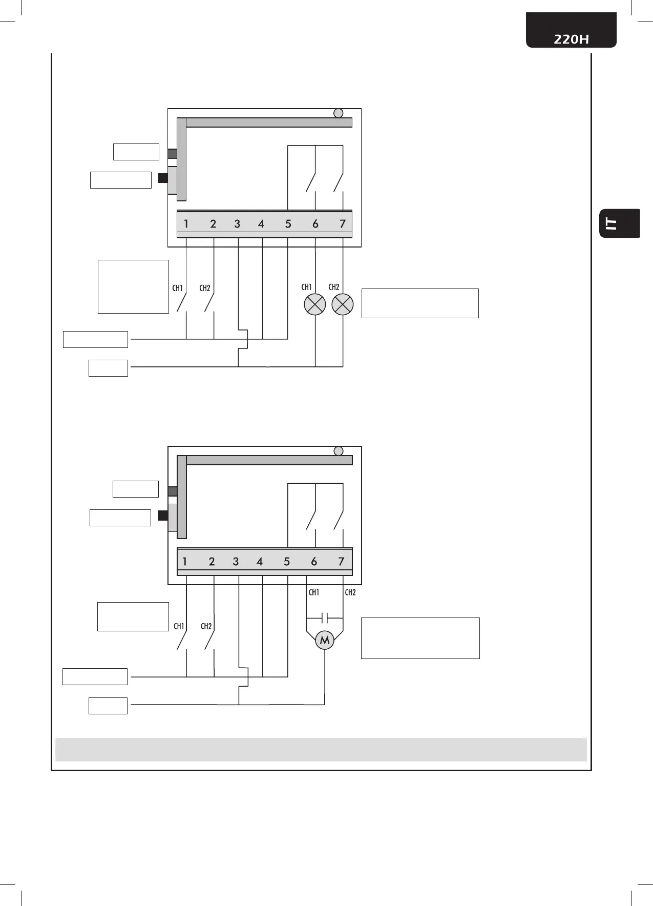
Schema 1. Indicazioni schematiche per controllare 2
carichi indipendenti, quali ad esempio 2 lampadine
Collegamenti morsettiera:
1 – ingresso comando locale ch. 1
(attivo quando connesso al 4)
2 – ingresso comando locale ch. 2
(attivo quando connesso al 4)
3 – ingresso alimentazione (neutro o ”–“)
4 – ingresso alimentazione (fase o “+” )
5 – comune contatti relè
6 – contatto n.o. uscita canale 1
7 – contatto n.o. uscita canale 2
Ingressi locali:
- 2 interruttori
oppure
- 2 pulsanti
2 carichi resistivi 230V ~
1250W Max ciascuno
Fase 230V ~
Led DL1
Pulsante P1
Neutro
Schema 2. Indicazioni schematiche per controllare
un motore asincrono monofase
Collegamenti morsettiera:
1 – ingresso comando locale ch. 1
(attivo quando connesso al 4)
2 – ingresso comando locale ch. 2
(attivo quando connesso al 4)
3 – ingresso alimentazione (neutro o ”–“)
4 – ingresso alimentazione (fase o “+” )
5 – comune contatti relè
6 – contatto n.o. uscita canale 1
7 – contatto n.o. uscita canale 2
Ingressi locali:
- 2 pulsanti
Motore 230V ~
asincrono monofase
Max 500W
Fase 230V ~
Led DL1
Pulsante P1
Neutro
ATTENZIONE
as s I c u r a r s I d e l l a c o r r e t t e z z a d e I c o l l e g a m e n t I p r I m a d I a l I m e n tar e I l m o d u l o : u n c o l l e g a m e n to e r r ato p u ò
p r o v o c a r e d a n n I a l l a p pa r e c c h I atu r a e g e n e r a r e p e r I c o l o p e r l a s I c u r e z z a p e r s o n a l e .

Related product manuals