EasyManua.ls Logo

Dea ghost 200 - Page 40

Dea ghost 200
92 pages
Go to English
To Next Page IconTo Next Page
To Next Page IconTo Next Page
To Previous Page IconTo Previous Page
To Previous Page IconTo Previous Page
Loading...
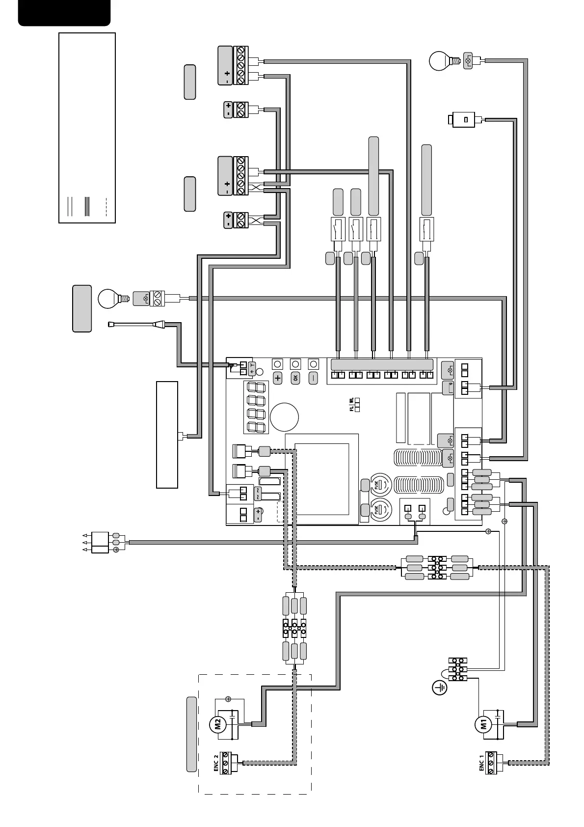
GHOST 200
38
2
1
910 1112
13 14
15 16
34 5 678
WARNING
LOCK
F2F1
FLASH
230V
MOT 1 MOT 2
WL/FL24V
18
19
20
21
22
23
24
25
26
27
28
29
2 x 0,5 mm
2
Al terminal 31/32 para una conexión normal
Al terminal 33/34 para seguridades controladas
N.O.
N.O.
RG58
ENC
M2
ENC
M1
N.C.
START
PED
TX RX
COM
N.C.
N.O.
TX RX
PHOTO 2PHOTO 1
2 x 1 mm
2
2 x 1 mm
2
2 x 0,5 mm
2
2 x 0,5 mm
2
2 x 0,5 mm
2
2 x 0,5 mm
2
2 x 0,5 mm
2
2 x 0,5 mm
2
2 x 0,5 mm
2
4 x 1,5 mm
2
4 x 1,5 mm
2
3 x 0,22 mm
2
N.C.
2 x 0,5 mm
2
F
N
F
N
3 x 1,5 mm
2
3 x 0,22 mm
2
LED230AI
max 40W
FLASH
230V
COM
N.C.
N.O.
2 x 0,5 mm
2
SAFETY (Sólo si es necesario)
Mot 2 (Sólo si está presente)
ELECTROCERRADURA
art.110
STOP (Sólo si es necesario)
INDICADOR LUMINOS
PUERTA ABIERTA
230V max 150W
INTERRUPTOR OMNIPOLAR
ALIMENTACIÓN ELÉCTRICA
230V~ 50Hz ±10%
MARRÓN
NEGRO
GRIS
MARRÓN
BLANCO
VERDE
MARRÓN
BLANCO
VERDE
MARRÓN
BLANCO
VERDE
MARRÓN
BLANCO
VERDE
CABLEADOS ENCODER SÓLO SI ESTÁ PRESENTE
CABLEADOS INTERNOS PREPARADOS EN LA FÁBRICA
CABLEADOS EXTERNOS PREPARADOS POR EL INSTALADOR
MARRÓN
NEGRO
GRIS
COM
IN_1
COM
IN_2
COM
IN_3
COM
IN_4
COM
IN_5
COM
IN_6
32 3134 33
Diagrama de cableado para 230V

Other manuals for Dea ghost 200

Related product manuals