EasyManua.ls Logo

Dea ghost 200 - Page 8

Dea ghost 200
92 pages
Go to English
To Next Page IconTo Next Page
To Next Page IconTo Next Page
To Previous Page IconTo Previous Page
To Previous Page IconTo Previous Page
Loading...
GHOST 200
6
2
1
910 1112
13 14
15 16
34 5 678
WARNING
LOCK
F2F1
FLASH
230V
MOT 1 MOT 2
WL/FL24V
18
19
20
21
22
23
24
25
26
27
28
29
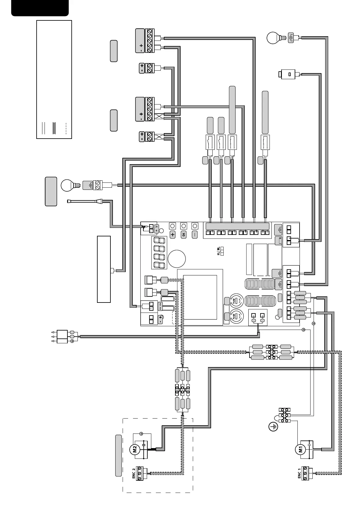
Al morsetto 31/32 per collegamento normale
Al morsetto 33/34 per sicurezze controllate
CABLAGGIO ENCODER SOLO SE PRESENTE
CABLAGGI INTERNI PREDISPOSTI IN FABBRICA
CABLAGGI ESTERNI PREDISPOSTI DALL’INSTALLATORE
N.O.
N.O.
RG58
ENC
M2
ENC
M1
N.C.
SAFETY (Solo se necessario)
START
PED
TX RX
COM
N.C.
N.O.
TX RX
PHOTO 2PHOTO 1
Mot 2 (Solo se presente)
SPIA CANCELLO APERTO
230V max 150W
ELETTROSERRATURA
art.110
2 x 1 mm
2
2 x 1 mm
2
2 x 0,5 mm
2
2 x 0,5 mm
2
2 x 0,5 mm
2
2 x 0,5 mm
2
2 x 0,5 mm
2
2 x 0,5 mm
2
2 x 0,5 mm
2
2 x 0,5 mm
2
4 x 1,5 mm
2
4 x 1,5 mm
2
3 x 0,22 mm
2
N.C.
STOP (Solo se necessario)
2 x 0,5 mm
2
MARRONE
BIANCO
VERDE
MARRONE
BIANCO
VERDE
MARRONE
BIANCO
VERDE
MARRONE
BIANCO
VERDE
F
N
F
N
3 x 1,5 mm
2
MARRONE
NERO
GRIGIO
MARRONE
NERO
GRIGIO
3 x 0,22 mm
2
LED230AI
max 40W
FLASH
230V
COM
N.C.
N.O.
INTERRUTTORE ONNIPOLARE
ALIMENTAZIONE
230V~ 50Hz ±10%
2 x 0,5 mm
2
COM
IN_1
COM
IN_2
COM
IN_3
COM
IN_4
COM
IN_5
COM
IN_6
32 3134 33
Schema di collegamento per 230V

Other manuals for Dea ghost 200

Related product manuals