EasyManua.ls Logo

Dea ViDEA - Page 17

Dea ViDEA
Print Icon
To Next Page IconTo Next Page
To Next Page IconTo Next Page
To Previous Page IconTo Previous Page
To Previous Page IconTo Previous Page
Loading...
15
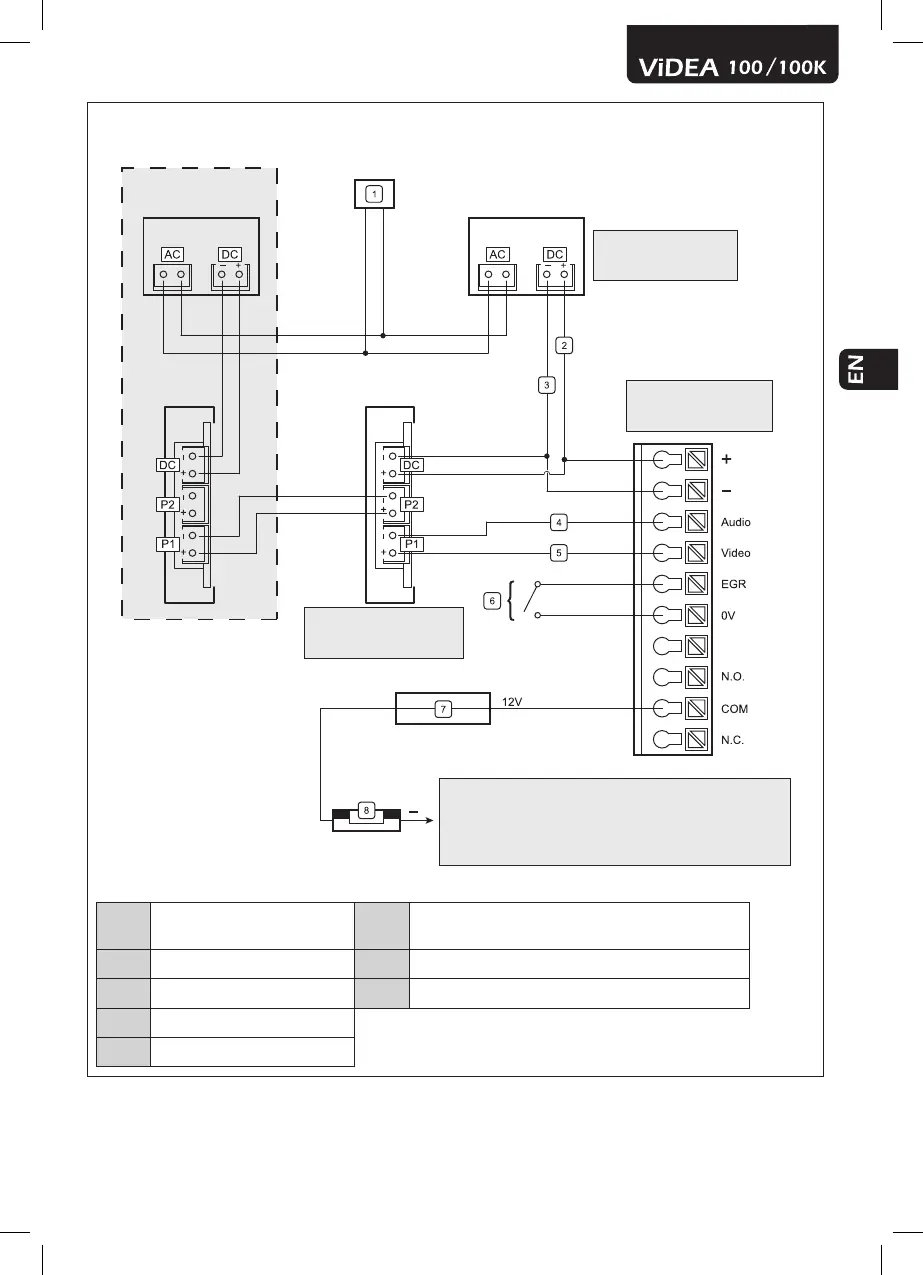
DIAGRAM FOR THE ViDEA-D VERSION
Trasformatore - Transformer -
Transformateur - Transformador
- Transformador - Transformator
- Трансформатор
Videocitofono - Video intercom -
Interphone vidéo - Videoportero -
Intercomunicador de Vídeo-
Wideodomofon - Видеодомофон
Monitor interno - Internal monitor -
Moniteur interne - Monitor interno -
Monitor interno - Monitor
wewnętrzny - Внутренний монитор
* 2nd Monitor
OPTIONAL
contatto pulito NO-COM o NC-COM secondo il tipo di elettroserratura
clean contact NO-COM or NC-COM according to the type of electric lock in use
contact sec NO-COM ou NC-COM selon le type de serrure
contacto libre de potencial NO-COM o NC-COM según tipo de electrocerradura
contacto seco NO-COM ou NC-COM por tipo de fechadura eléctrica
czysty styk NO-COM lub NC-COM, w zależności od typu elektrozamka
н.о. контакт или н.з. контакт в зависимости от типа используемого электрозамка
1 Power supply 230V ~50Hz 6
Electric lock activation input
(e.g. for external pushbutton)
2 Power supply 12V (+) 7 12V electric lock power supply (not supplied)
3 Ground (-) 8 Electric lock (not supplied)
4 Audio
5 Video