EasyManua.ls Logo

Dea ViDEA - Page 49

Dea ViDEA
60 pages
Go to English
To Next Page IconTo Next Page
To Next Page IconTo Next Page
To Previous Page IconTo Previous Page
To Previous Page IconTo Previous Page
Loading...
47
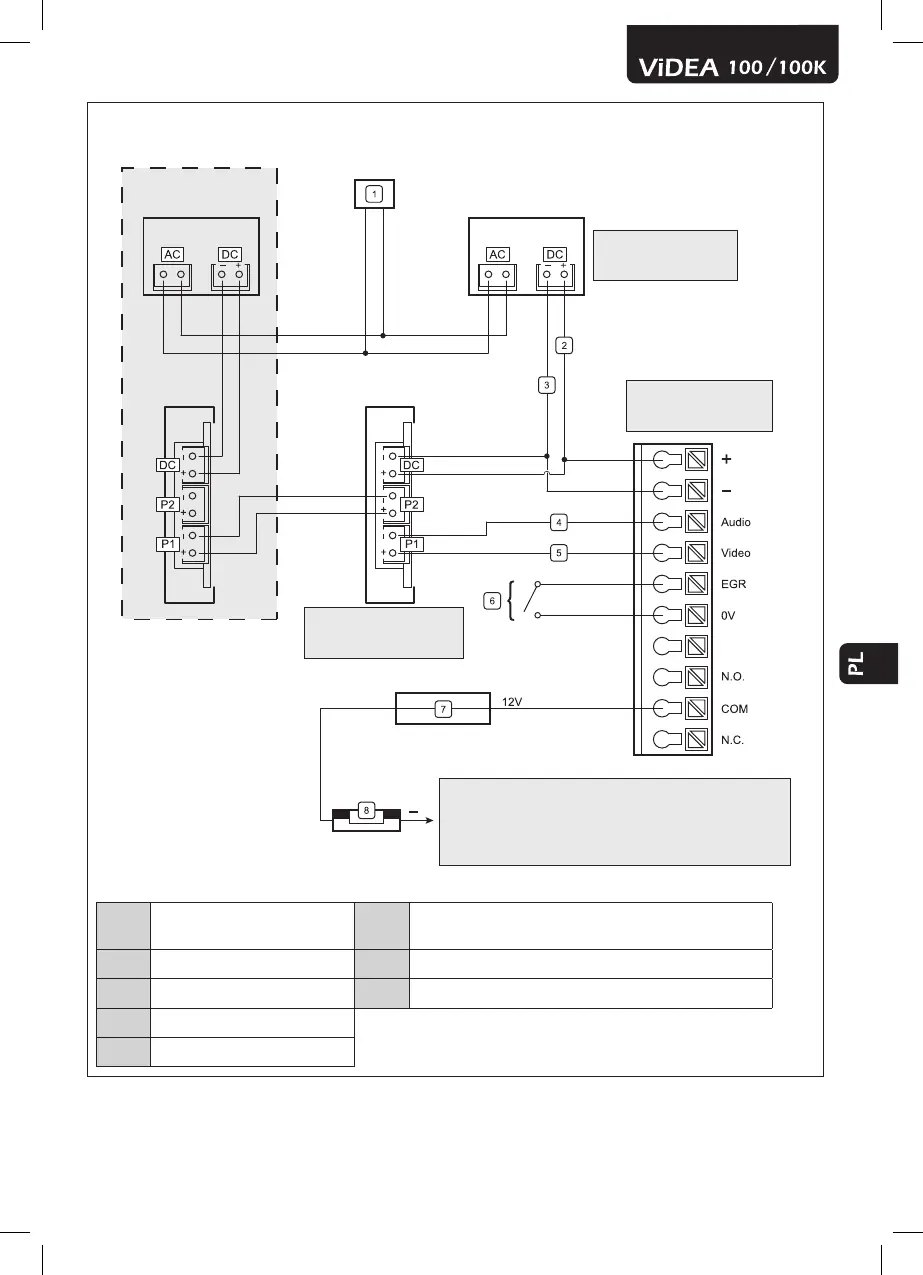
SCHEMAT DLA ARTYKUŁÓW ViDEA-D
Trasformatore - Transformer -
Transformateur - Transformador
- Transformador - Transformator
- Трансформатор
Videocitofono - Video intercom -
Interphone vidéo - Videoportero -
Intercomunicador de Vídeo-
Wideodomofon - Видеодомофон
Monitor interno - Internal monitor -
Moniteur interne - Monitor interno -
Monitor interno - Monitor
wewnętrzny - Внутренний монитор
* 2nd Monitor
OPTIONAL
contatto pulito NO-COM o NC-COM secondo il tipo di elettroserratura
clean contact NO-COM or NC-COM according to the type of electric lock in use
contact sec NO-COM ou NC-COM selon le type de serrure
contacto libre de potencial NO-COM o NC-COM según tipo de electrocerradura
contacto seco NO-COM ou NC-COM por tipo de fechadura eléctrica
czysty styk NO-COM lub NC-COM, w zależności od typu elektrozamka
н.о. контакт или н.з. контакт в зависимости от типа используемого электрозамка
1 Zasilanie 230V ~50Hz 6
Wejście aktywacyjne elektrozamka
(np. przy użyciu przełącznika zewnętrznego)
2 Zasilanie 12V (+) 7 Zasilanie 12V elektrozamka (nie będący w wyposażeniu)
3 Masa (-) 8 Elektrozamek (nie będący w wyposażeniu)
4 Audio
5 Video