EasyManua.ls Logo

Delem DA-65 - Page 21

Delem DA-65
239 pages
Print Icon
To Next Page IconTo Next Page
To Next Page IconTo Next Page
To Previous Page IconTo Previous Page
To Previous Page IconTo Previous Page
Loading...
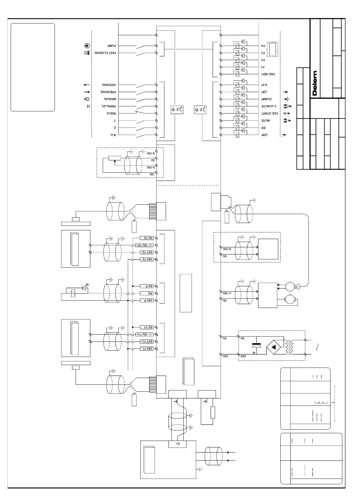
ENCODER IN
12 POL E
5VSE 5VDE
1T2(B)
T1 ( A )
/
+5V
T2 (B)
GND
GND
GND
+5V
shield
GND
/
+5V
shield
GND
(GND)
+5V
T0 (R EF)
T0 (R EF)
T1 ( A )
T1 T1
T1
/
T2
(+5V)
T0
/
T0
/
/
/
T2
T0
/
T2
2
3
4
5
6
7
8
9
10
11
12
ENCODER IN
9POLE
12VSE 5VSE 5VDE
1
T0 (REF)
T0 (REF)
T2 (B)
T2 (B)
T1 (A)
+5V
+5V
In case of 12VSE
bridge pins 6,7,8 and 9
+5V
T1 (A)
+ 12V
+ 12V
GND
GND GND GND
T0
T0
T2
T2
T1
T1
T2
T1
T2
T1
/
/
/
/
/
T0
T0
2
3
4
5
6
7
8
9
T = Tandem
= CNC-ReaDY signal
=stepChange
= R axis p ositive input
= Reference Search Direction switch
= Upper Dead Point
=EndofRelaxation
= Lower Dead Point
= X-axis In Position
= Function output 1,2,3,4
CNC-RDY
C
R-in
RSD
UDP
ER
LDP
X-IP
F1,2,3,4
DM02
GND 0V
24V
24V
0V
H
H
L
L
HSB
H
L
HSB
120E
Shunt
DA6X
DF-OUT
0V 0-10V
In case hydraulic
Deflection unit is used
Amplifier
6-Pole Male connector
230V/400V
SUPPLY
MALE
X-OUT
0V +/-10V
Servo
Amplifier
ME
9-Pole
Connector
X-Encoder
Input
REF 0AI1 AI2
In case motorized
Deflection unit is used
Potentiometer
10K
4-Pole Male connector
14
relais
24V
151617181920212223
OUT
A< A>
0V
relais
9
10
11 12 13
*1 *2
*3
*4
*5 *6
7
8
In case
motorized
deflection
is used
IN
OUTPUT
INPUT/OUTPUT
galvanic insulation
galvanic insulation
9+7+9 Pole Male connectors
INPUT
COM
COM
P I P II
Note 1 : Leave unconnected pin s o p en .
Note 2 : Cut off blue/red wire ( 0-10V P ) if cable DK-02VSW/VA-BSH-1.0 is used.
Note 3 : Diodes across valves ( D ) must be a BYV36E (Philips) or equivalent for currents 0-800mA or a BYM36E (Philips) or equivalent for currents 0-1500mA.
Note 5 : 24V relais supply must be separated from 24V supply
Note 4 : * = 1.5 Ampere outputs. Maximum of 9 Ampere over a ll outputs
Pressure
25-Pole connectorFemale
Pen 2-3,5,8-11,15-16,20-24
of 25-Pole connector
are n ot connected
Valve Y 1 Val ve Y 20-1500mA
Linear
Scale Y1
Valve Y1
System
Pressure Valve Y2
Linear
Scale Y2
24V
0V
13 12 25
MALE
12-Pole
Connector
Y2-Encoder
Input
MALE
12-Pole
Connector
Y1-Encoder
Input
1674 17
AMPLIFIER
14 18 19
AMPLIFIER
A3
Connection DAXX - DM02
Example Ext. Valve Amplifier ( 0-1500mA )
VW
VW
MI
MI
22-07-1996
03-02-1997
11-11-1997
18-10-1999
9027-103 C
-
-
-
-
Shrinksleeves added + 1125-cable text + redrawn
Note NoteRedrawn RedrawnDate Date
Description Description
No unauthorized copying allowed
Format Number Issue
Note Redrawn
Redrawn
Date
Date
Date
Description
Description
Note
DrawnMeasures in mm,unless
otherwise specified Scale
Luchthavenweg 42, 5657 EB
Eindhoven, the NETHERLANDS

Related product manuals