EasyManua.ls Logo

Dell TORINITRON P1130 - H4 Board Schematic Diagram

Dell TORINITRON P1130
16 pages
Print Icon
To Next Page IconTo Next Page
To Next Page IconTo Next Page
To Previous Page IconTo Previous Page
To Previous Page IconTo Previous Page
Loading...
P1130(E) 4-16
123456
7
8910
A
B
C
D
E
F
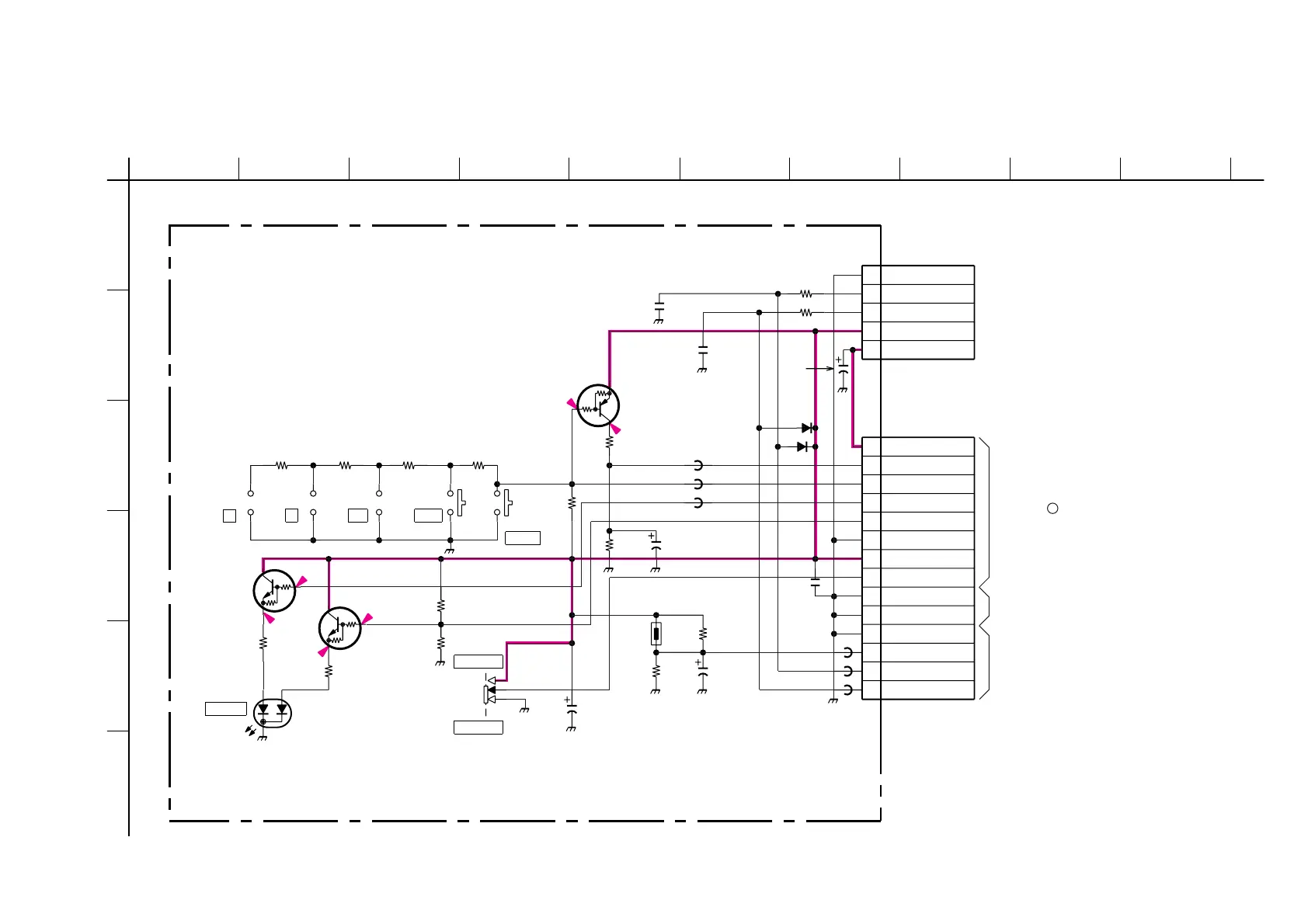
(4) Schematic Diagram of H4 Board
5
3.3
0.1
0.7
0
5
1
2
3
4
5
6
7
8
9
10
11
12
13
14
1
2
3
4
5
S1400
S1401
Q1400
LED DRIVE
LED DRIVE
Q1401
Q1402
C1401
C1400
C1498
R1400
R1401
R1402
R1403
R1404
R1408
R1421
R1424
R1409
FB1401
FB1402
FB1403
S1403
C1403
C1405
C1407
CN1401
D1400
D1403
D1402
FB1404
FB1405
FB1406
R1406
R1407
R1419
R1420
R1422
R1423
TH1400
CN1400
DTC114ESA-TP
DTA124ESA
47
16V
10
0.1
:B
220
:RN
220
:RN
100
:RN
100
:RN
470
:RN
470
10k
:RN
22k
:RN
100k
SML79423C-TP15
H4(USER CONTROL)
DTC114TSA
BRT
CONT
VY
VX
GND
+12V
+5V
KEY SCAN
LED 1
TO D- b BOARD
CN1106
LED 2
GND
+5V
INPUT SW
+12V
GND
VX
VY
T_AMB
GND
GND
WAKE UP
INPUT1
INPUT2
AG
POWER
16V
16V
16V
10k
0.01
47
16V
47
16V
5P
1SS119
1SS119
JW(5)
JW(5)
JW(5)
100k
22k
22k
10K
150
220
14P
1.1µH
1.1µH
1.1µH
S1402
OK
S1404
-
S1405
+
TO N BOARD
CN1003
CHASSIS GND
B-SSS9328<U/C>-H4..-EPS05
TO MAGNETIC
SENSOR
C1404
0.01

Related product manuals