EasyManua.ls Logo

Delorean DMC - Page 378

Delorean DMC
453 pages
Print Icon
To Next Page IconTo Next Page
To Next Page IconTo Next Page
To Previous Page IconTo Previous Page
To Previous Page IconTo Previous Page
Loading...
r
.
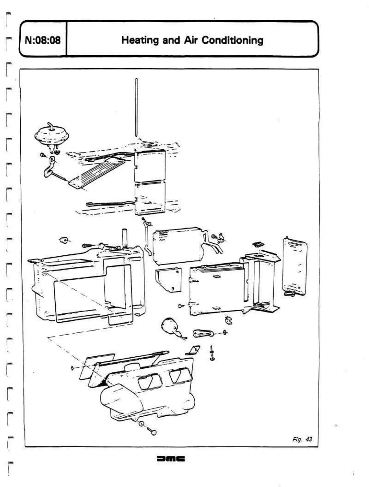
Heating and Air Conditioning
p7^*?l
f^q

Related product manuals