EasyManua.ls Logo

Delta AS-FCOPM - Page 545

Delta AS-FCOPM
632 pages
Print Icon
To Next Page IconTo Next Page
To Next Page IconTo Next Page
To Previous Page IconTo Previous Page
To Previous Page IconTo Previous Page
Loading...
Chapter 12 Positioning Module AS02/04PU
12 - 11
12
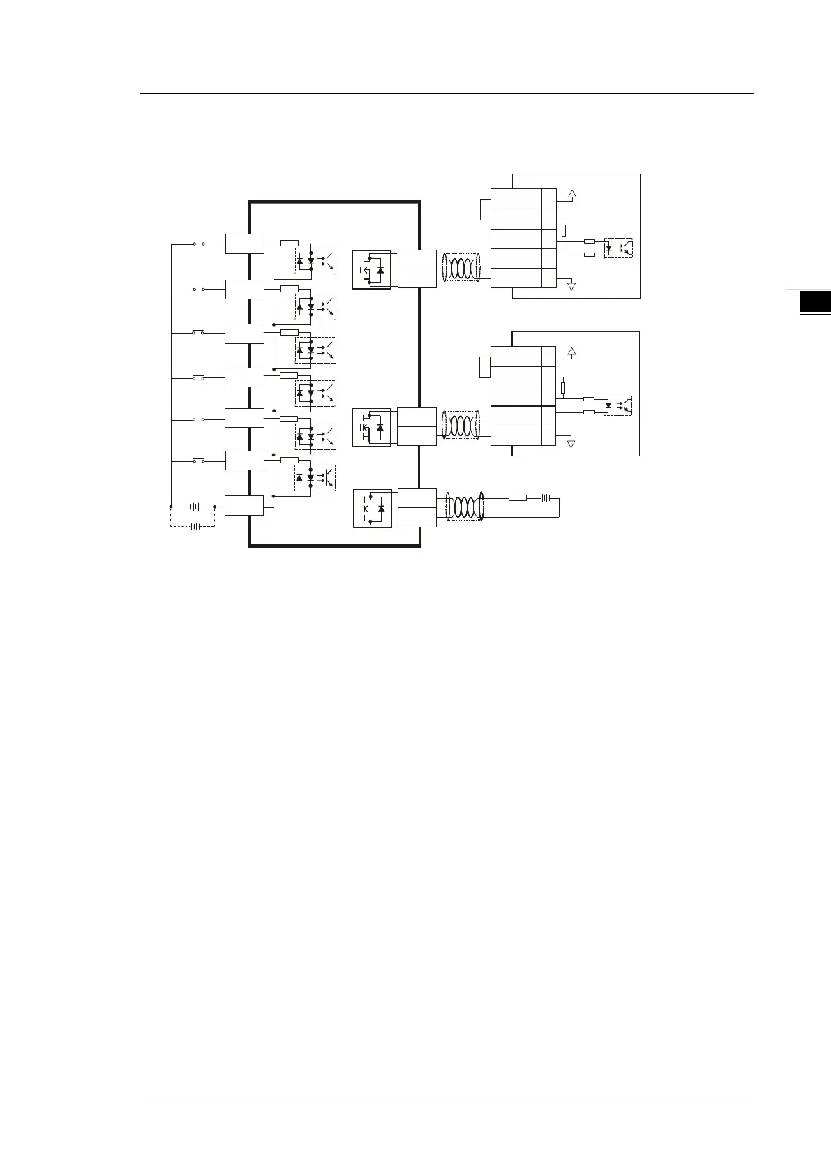
*1. VDD and COM are seen as a group and its power is provided by Delta servo drive.
*2. It is a load or an input point.
*3. Use the same power supply for the same COM group.
*4. Sinking
*5. Sourcing
(2) AS04PU-A
X0.0
X0.1
X0.2
X0.3
X0.4
X0.5
Y0.0
C0
D elta s erv o dri ve ASD A A2 s eri es-
*3
39
1kΩ
Ma x.
2 00Kpps
Ω51
Ω51
24V
Y0.4
C1
*2
5~30VD C, 0.1A
0V
*3
*1
VDD 17
PUL L_ HI_ P
PULSE
/PU L SE
COM-
43
41
45
39
Y0.1
C0
Delt a s erv o driv e ASD A A2 s eries-
*3
39
1 kΩ
Max.
200 Kp ps
Ω51
Ω51
2 4V
0V
*1
V DD 17
PULL_ HI_ S
SIGN
/S IGN
COM-
37
45
35
36
S S/
+24V
*4
*5

Table of Contents

Related product manuals