EasyManua.ls Logo

Delta AS-FOPC02 - Page 137

Delta AS-FOPC02
632 pages
Print Icon
To Next Page IconTo Next Page
To Next Page IconTo Next Page
To Previous Page IconTo Previous Page
To Previous Page IconTo Previous Page
Loading...
Chapter 5 Analog Input/Output Module AS06XA
5- 21
5_
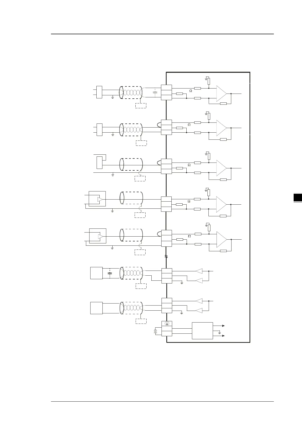
External wiring
(1) AS06XA-A
CH 1
1M
C H 2
1M
1 M
A G
1M
25 0
25 0
VO2
IO2
AG
0m A~2 0m A
C H 6
AG
VO1
IO1
AG
-10 V~+ 1 0V
*5
C H5
AG
24 VD C
D C /D C
+1 5V
*7
* 6
* 6
FE
FE
C H 3
1 M
A G
1M
25 0
-10 V~ +1 0V
V1 +
I1+
VI1 -
V 3+
I3 +
VI 3-
*3
*2
+
-
-20 mA~ + 20 mA
V 2+
I2 +
VI 2-
*2
+
-
+
-
+ 24 V
0 V
+2 4V
0V
4 mA ~+20 mA
* 6
FE
+ 24V
0V
V4 +
I 4+
V I4 -
C H4
1M
AG
1 M
2 50
C H1
1M
AG
1 M
2 50
-2 0m A~ +2 0m A
+ 2 4V
+
-
V 1+
I1 +
V I1 -
*2
-10 V~ +1 0V
+2 4V
+
-
*6
FE
*6
FE
0V
0V
FE
*6
FE
*6
0V
C HX - I
*8
CH X- I
* 8
C HX -I
*8
C HX -I
*8
C HX- O
*8
CH X- O
*8
Sh ielded cabl e *1
Sh ielded cabl e *1
Sh ielded cabl e *1
Sh ielded cabl e *1
4-w ire: cu rrent input
3-wir e: voltage in put
2-wire: cur rent input
3-w ire: cu rrent input
AC motor dr ive,
rec order,
proportioning v alv e
Current output
AC motor dr ive,
rec order,
proportioning v alv e
Vol tage o utput
Sh ielded cabl e *4
Sh ielded cabl e *4
AG
-15 V
AG
C HX -I
24 V
*8
Sh ielded cabl e *1
4-w ire: voltag e inp ut
C o nv ert er
*1. Use shielded cables to isolate the analog input signal cable from other power cables.
*2. If the module is connected to a current signal, the terminals Vn and In+ (n=14) must be short-circuited.
*3. If variability in the input voltage results in interference within the wiring, connect the module to a capacitor
having a capacitance between 0.10.47 μF and a working voltage of 25 V.

Table of Contents

Related product manuals