EasyManua.ls Logo

Delta AS-FOPC02 - Page 65

Delta AS-FOPC02
632 pages
Print Icon
To Next Page IconTo Next Page
To Next Page IconTo Next Page
To Previous Page IconTo Previous Page
To Previous Page IconTo Previous Page
Loading...
Chapter 3 Analog Input Module AS04/08AD-A
3- 21
3_
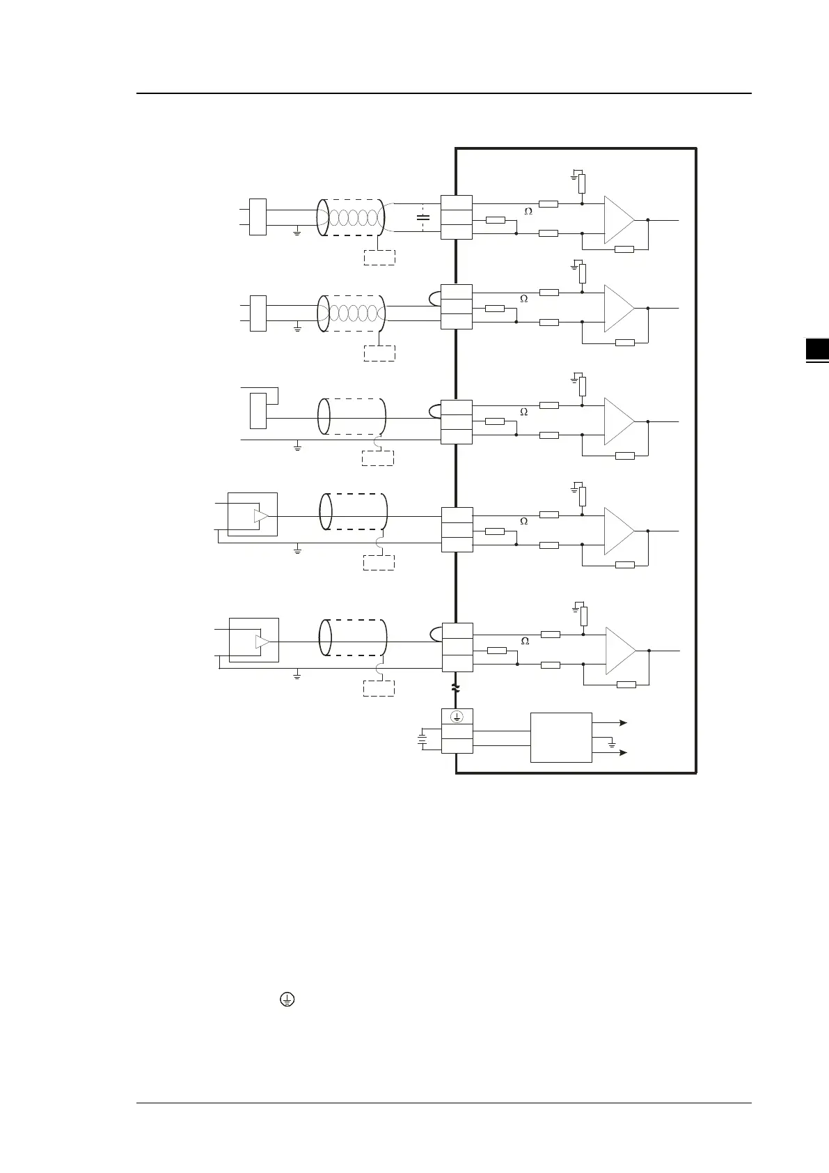
AS04AD-A External wiring
Shi elded cable *1
-10 V~ + 10 V
V I+
I1 +
VI 1-
C H X
V 3+
I3 +
V I3 -
*3
* 2
C H 1
1 M
C H 3
AG
1M
1M
A G
1 M
2 5 0
25 0
0 V
24 V
24 VD C
D C /D C
C on ve rte r
+ 15 V
-15 V
A G
FE
*4
*5
+
-
-20 mA ~ +2 0 mA
V 2+
I2 +
V I2 -
* 2
C H 2
1M
A G
1 M
25 0
*4
FE
+
-
+
-
+ 24 V
0 V
V4 +
I 4+
V I4 -
C H 4
1M
A G
1 M
25 0
+ 2 4V
0V
4 mA ~ +2 0m A
C H 1
1M
A G
1M
25 0
-2 0m A~ + 20 m A
+ 24 V
+
-
V 1+
I1 +
V I1 -
*2
-1 0 V~ + 10 V
+ 2 4V
+
-
* 4
FE
*4
FE
*4
FE
0 V
+ 2 4V
0 V
0V
*6
C H X
*6
C H X
* 6
CH X
*6
C H X
* 6
Shi elded c abl e *1
Shi elded c abl e *1
Shi elded c abl e *1
Shi elded c abl e *1
4-wir e: voltage inp ut
4-wir e: curr ent inp ut
2-wire: current inp ut
3-wire: voltag e inpu t
2-wire: current inp ut
3-wire: current inpu t
*1. Use shielded cables to isolate the analog input signal cable from other power cables.
*2. If the module is connected to a current signal, the terminals Vn and In+ (n=14) must be short-circuited.
*3. If variability in the input voltage results in interference within the wiring, connect the module to a capacitor
with a capacitance between 0.10.47 μF and a working voltage of 25 V.
*4. Connect the shielded cable to the terminal FE.
*5. Connect the terminal to the ground terminal.
*6. Every channel can operate with the wiring presented above.

Table of Contents

Related product manuals