EasyManua.ls Logo

Delta AS-FOPC02 - Page 67

Delta AS-FOPC02
632 pages
Print Icon
To Next Page IconTo Next Page
To Next Page IconTo Next Page
To Previous Page IconTo Previous Page
To Previous Page IconTo Previous Page
Loading...
Chapter 3 Analog Input Module AS04/08AD-A
3- 23
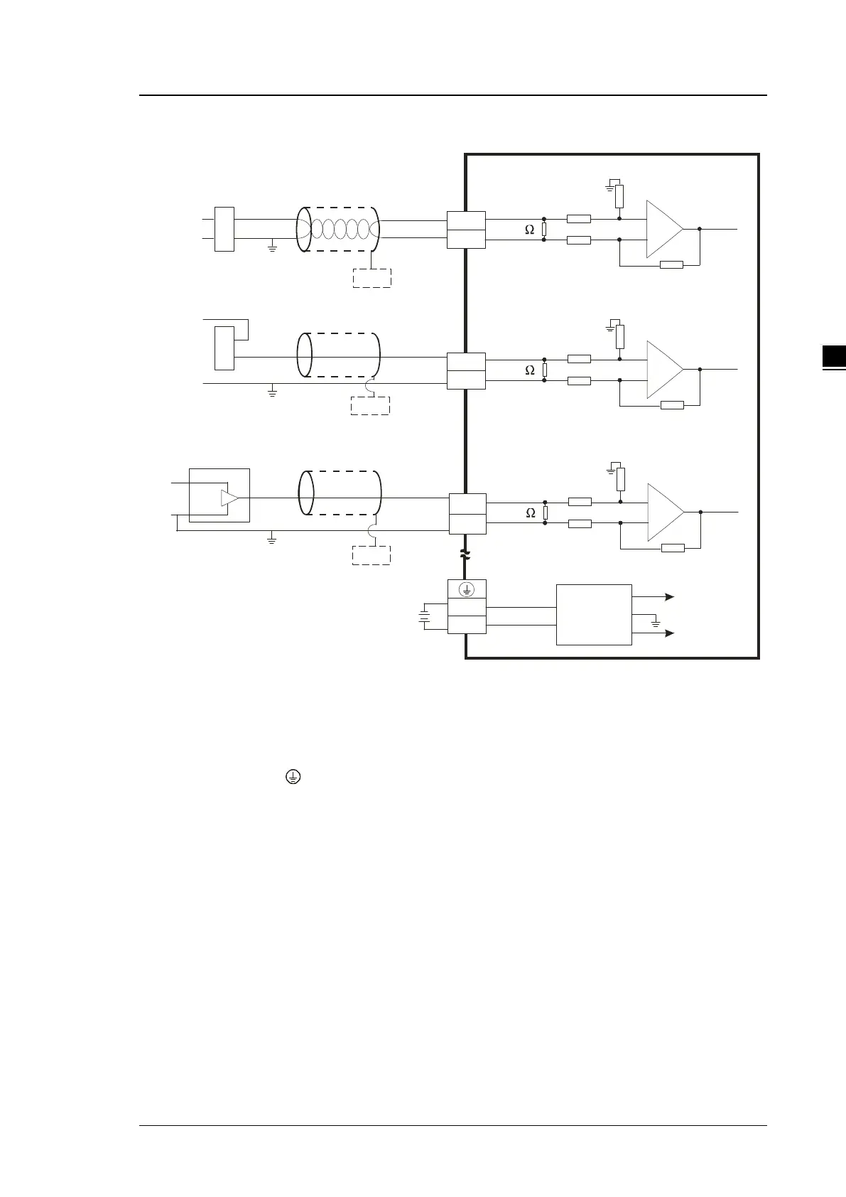
3_
AS08AD-C External wiring
I2 +
I2 -
2 50
0V
2 4V
2 4 VD C
+ 1 5V
-1 5V
AG
*3
-2 0m A~ + 2 0m A
I1 +
I1 -
1 M
AG
1 M
* 2
FE
+
-
+
-
+ 2 4V
0V
4m A~ + 20 m A
-20 mA ~ +2 0 mA
+2 4 V
+
-
I 3+
I3 -
* 2
FE
* 2
FE
+ 24 V
0 V
0 V
C H X
* 4
C H X
* 4
CH X
*4
2 50
2 5 0
1 M
AG
1 M
2 5 0
25 0
1 M
A G
1M
25 0
Sh ield ed cab le 1*
Sh ield ed cab le 1*
Sh ield ed cab le 1*
4 w ire cu rren t in pu t-
2 w ire cur re nt in pu t-
3 w ire cu rren t inp ut-
D C /D C
C on ve rt e r
*1. Use shielded cables to isolate the analog input signal cable from other power cables.
*2. Connect the shielded cable to the terminal FE.
*3. Connect the terminal to the ground terminal.
*4. Every channel can operate with the wiring presented above.

Table of Contents

Related product manuals