EasyManua.ls Logo

Delta AS04AD-A

Delta AS04AD-A
632 pages
To Next Page IconTo Next Page
To Next Page IconTo Next Page
To Previous Page IconTo Previous Page
To Previous Page IconTo Previous Page
Loading...
AS Series Module Manual
3- 22
_3
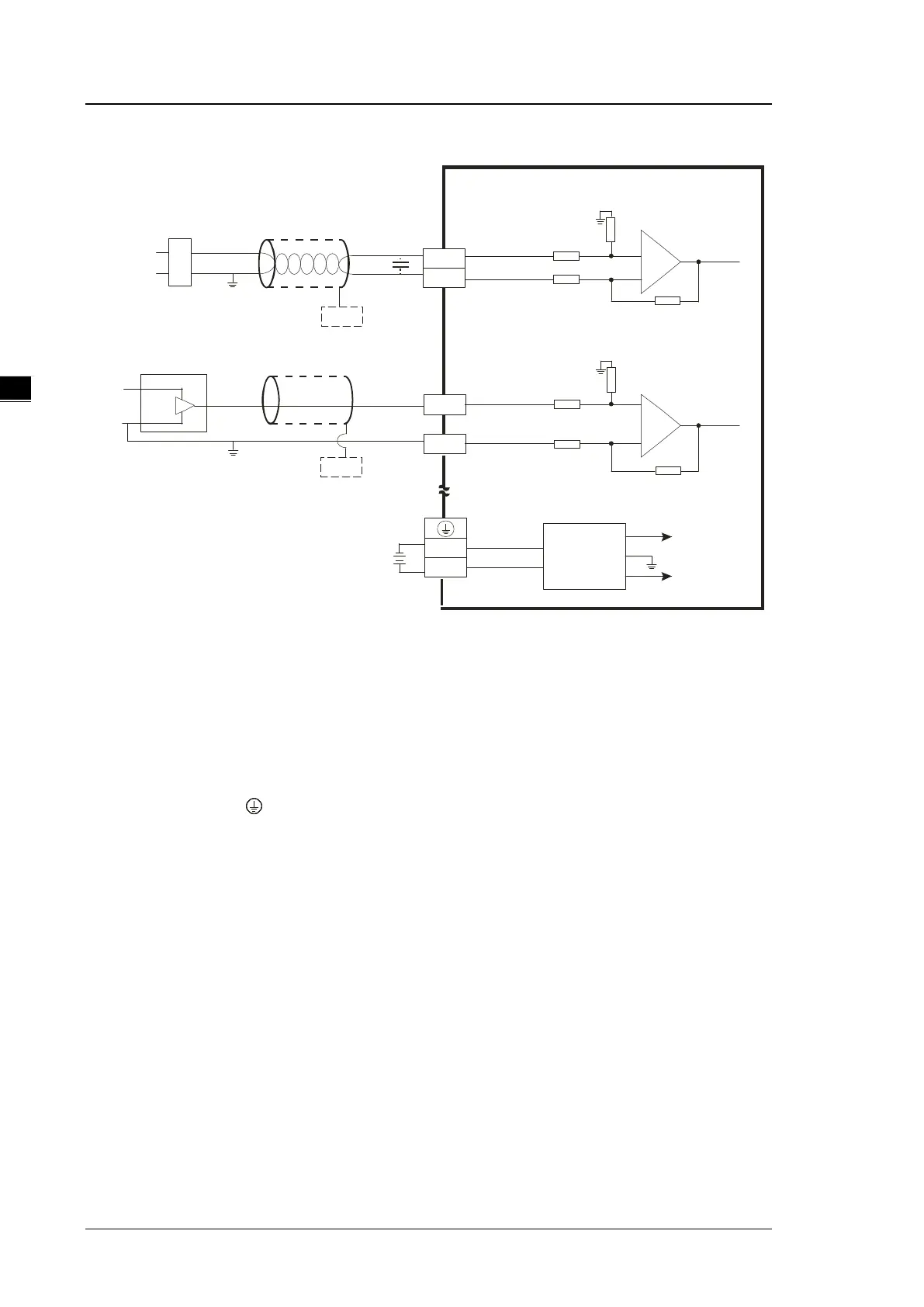
AS08AD-B External wiring
4 w ire vo lt ag e inp u t-
-10 V~ + 10 V
V 1+
V1 -
C H X
1 M
A G
1 M
0V
2 4V
2 4 VD C
D C / DC
C on ve rte r
+ 1 5V
-1 5V
AG
FE
*3
*4
+
-
V2 +
V 2-
1M
A G
1 M
+ 2 4V
0V
-1 0 V~ + 10 V
+ 2 4V
+
-
* 3
FE
0 V
*5
CH X
*5
3 wire v olt ag e in pu t-
*2
Sh ield ed c ab le 1*
S hie ld ed ca b le 1*
*1. Use shielded cables to isolate the analog input signal cable from other power cables.
*2. If variability in the input voltage results in interference within the wiring, connect the module to a capacitor
with a capacitance between 0.10.47 μF and a working voltage of 25 V.
*3. Connect the shielded cable to the terminal FE.
*4. Connect the terminal to the ground terminal.
*5. Every channel can operate with the wiring presented above.

Table of Contents

Related product manuals