EasyManua.ls Logo

Delta D25886 - Page 70

Delta D25886
72 pages
Print Icon
To Next Page IconTo Next Page
To Next Page IconTo Next Page
To Previous Page IconTo Previous Page
To Previous Page IconTo Previous Page
Loading...
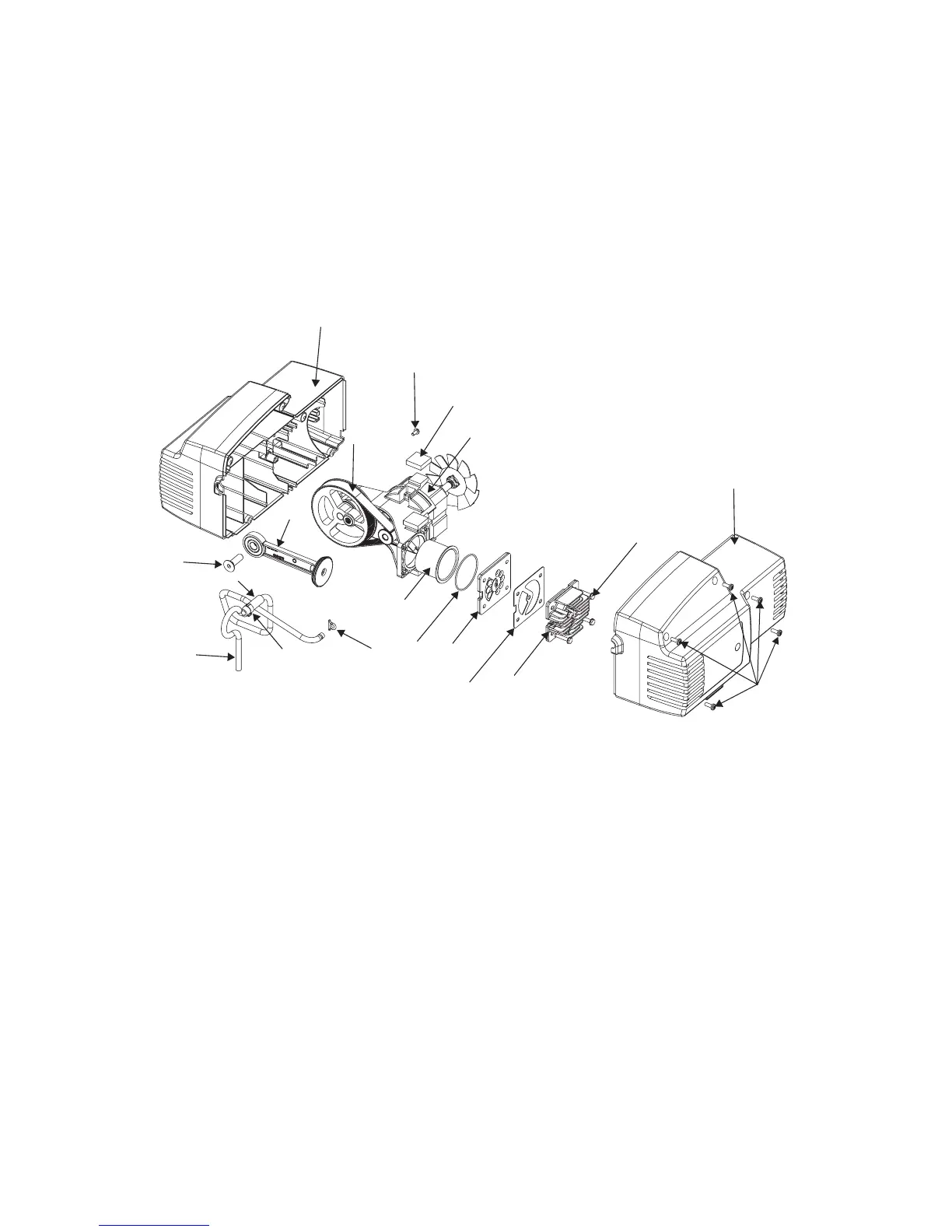
70- FR
D25886
DIAGRAMME DU POMPE
1
15
20
14
16
9
12
7
4
10
11
13
8
6
5
3
21
2
18

Related product manuals