EasyManua.ls Logo

Delta Mayor D 1 Gr - Electric Connections

Delta Mayor D 1 Gr
Print Icon
To Next Page IconTo Next Page
To Next Page IconTo Next Page
To Previous Page IconTo Previous Page
To Previous Page IconTo Previous Page
Loading...
!
49
5.3 ELECTRIC CONNECTIONS
Before setting up the machine verify:
If the installation has a device which assures the disconnection from the power grid according to the
rules of installation.
If the power grid and the RCD are conform to the characteristics of the machine (see technical
characteristics plate).
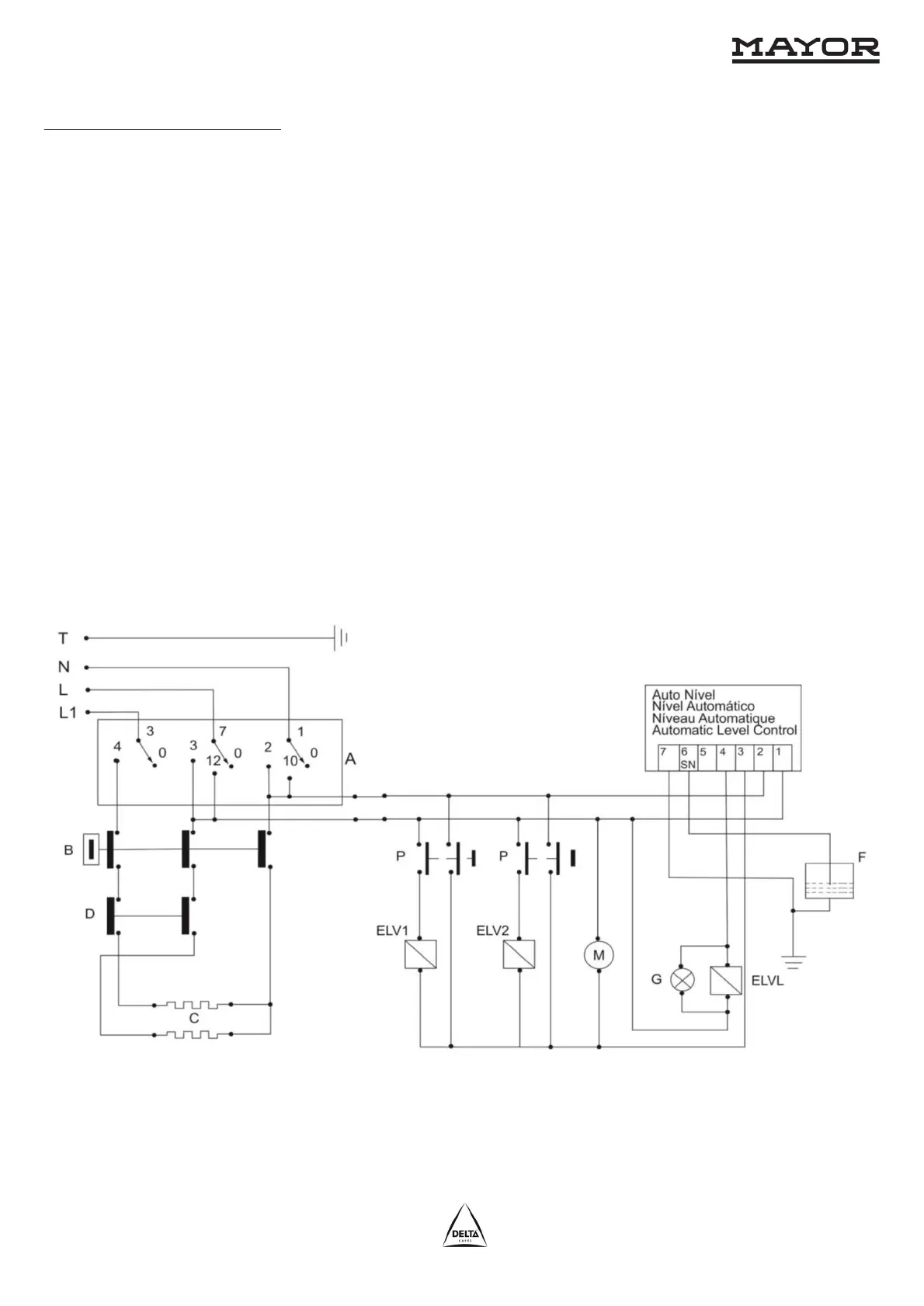
Power cord must be connected directly to the electric grid, according with the scheme below.
Electric Scheme
Electrical safety of the machine is assured only when connected to an effective earthing, as predicted
by the electrical safety regulations.
It is necessary to verify this requirement and in case of doubt, demand an inspection control of the
power grid by professionally qualified personnel.
The manufacturer cannot be considered liable for eventual damages caused by the lack of earthing
on the machine connection.
Semi-Automatic
Picture 5.3.1
A Main switch; B Pressure switch; C Heating element; D Thermostat sefety thermostat; ELV1
1
st
Group; ELV2 2
nd
Group; ELVL Pump solenoid valve; F Boiler; G Auto level pilot light; M
Motor; P Group switches; SN Level probe.

Related product manuals