EasyManua.ls Logo

Delta Mayor D 1 Gr - Page 50

Delta Mayor D 1 Gr
Print Icon
To Next Page IconTo Next Page
To Next Page IconTo Next Page
To Previous Page IconTo Previous Page
To Previous Page IconTo Previous Page
Loading...
!
50
Automatic
!
!
!
!
!
!
!
!
!
!
!
!
!
!
!
!
!
!
!
!
!
!
!
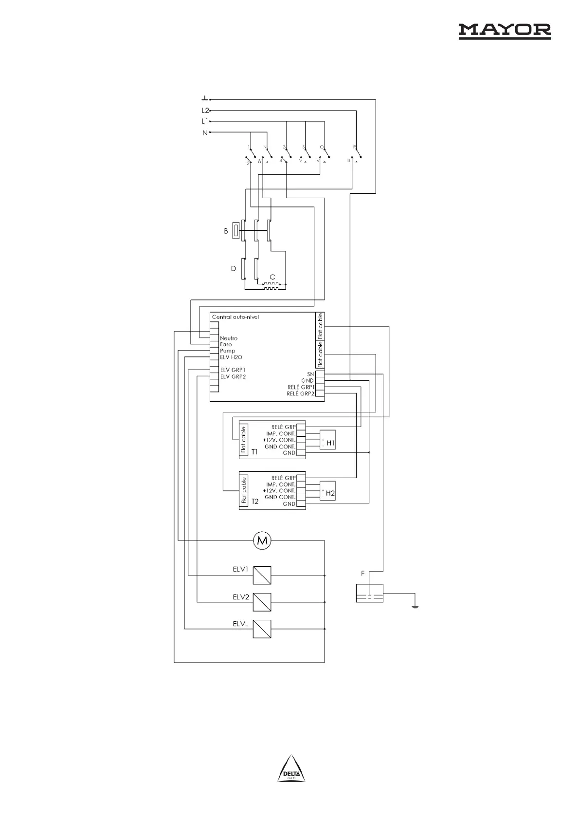
Picture 5.3.2
A Main switch; B Pressure switch; C Heating element; D Safety Thermostat; ELV1 Solenoid
valve 1
st
Group; ELV2 - Solenoid valve 2
nd
Group; ELVL Solenoid valve (pump); F Boiler; SN Level
sensor; T1 Keyboard 1
st
group; T2 Keyboard 2
nd
group; H1 Flowmeter 1
st
group; H2 Flowmeter
2
nd
group; M Motor.

Related product manuals