EasyManua.ls Logo

Denon D-MA5DV - Page 29

Denon D-MA5DV
107 pages
Print Icon
To Next Page IconTo Next Page
To Next Page IconTo Next Page
To Previous Page IconTo Previous Page
To Previous Page IconTo Previous Page
Loading...
D-MA5DV/D-MX7700DV
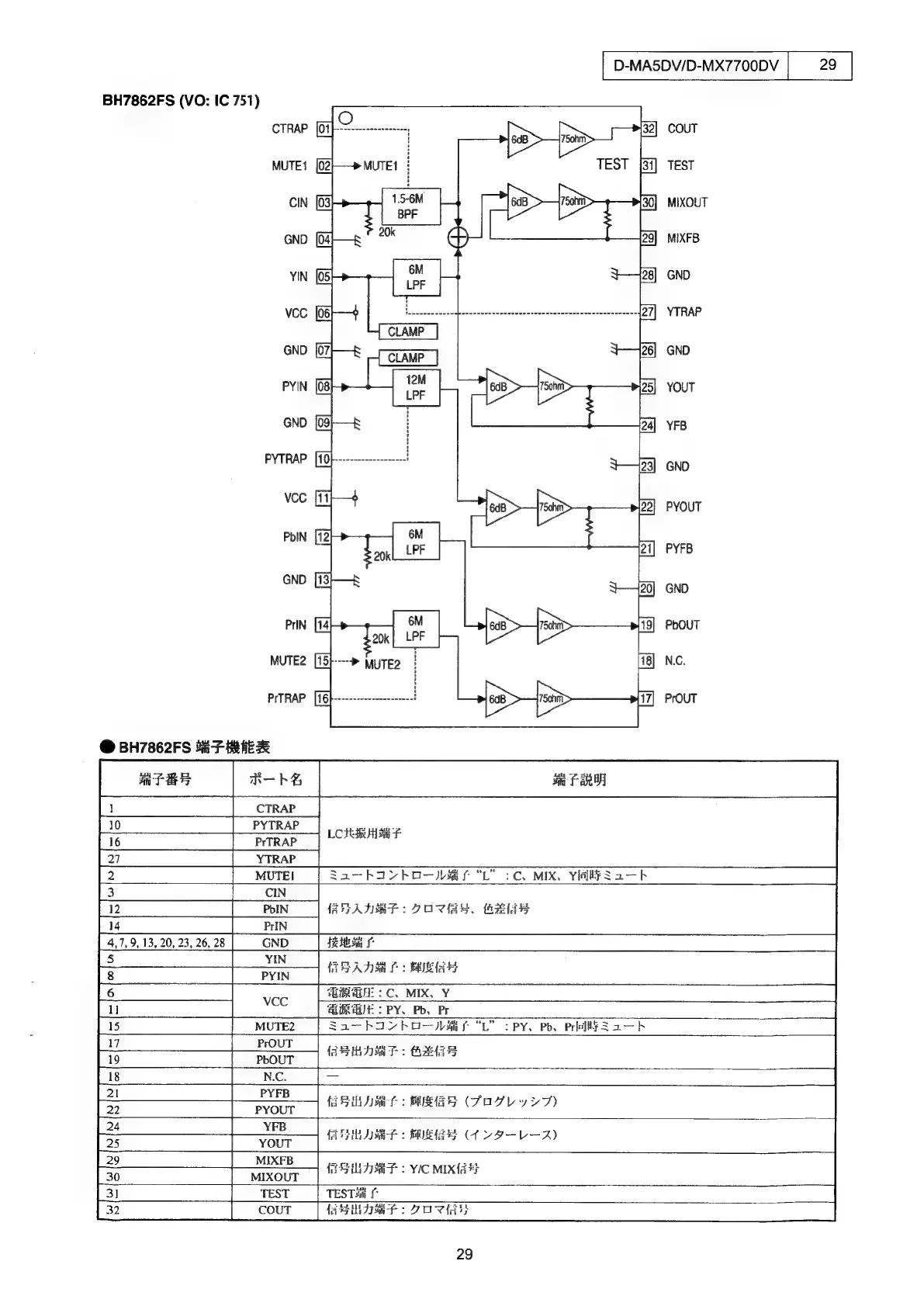
BH7862FS
(VO:
IC
751)
CTRAP
COUT
MUTE!
TEST
CIN
MIXOUT
GND
MIXFB
YIN
GND
VCC
YTRAP
GND
GND
PYIN
YOUT
GND
YFB
PYTRAP
as
we
y
rsaB>
PYOUT
Tc
cre
oe
ees
2
GND
oe
PriN
PbOUT
MUTE2
N.C.
PrTRAP
PrOUT
@
BH7862FS
tat
HER
LOS
aH
F
Za-hIa>
hoO—Jbam
6
SL”
+
C.
MIX,
Yi
Sa—k
TAIN
:
DOVE.
HELE
Tea
F
GEE
A
DS
(HUME
HS
IRAE:
C.
MIX.
Y
dR
IE
>
PY.
Pb,
Pr
Sa-hay
hob
CL":
PY.
Pb,
Prijf}Za—
5
(aS
IT:
AZ
faire:
RRR
(FOF
Ly
+7)
fATHLIUNE
:
MRME
C1
Y9—-L—Z)
ELL
Aa:
YIC
MIX48
4
TESToiti
asi:
7OVE
29

Related product manuals