EasyManua.ls Logo

Denon DCD-SA100 - Schematic Diagrams (Part 2 of 7); Schematic Diagrams (2;7)

Denon DCD-SA100
87 pages
Print Icon
To Next Page IconTo Next Page
To Next Page IconTo Next Page
To Previous Page IconTo Previous Page
To Previous Page IconTo Previous Page
Loading...
1234567891011
A
B
C
D
E
F
G
H
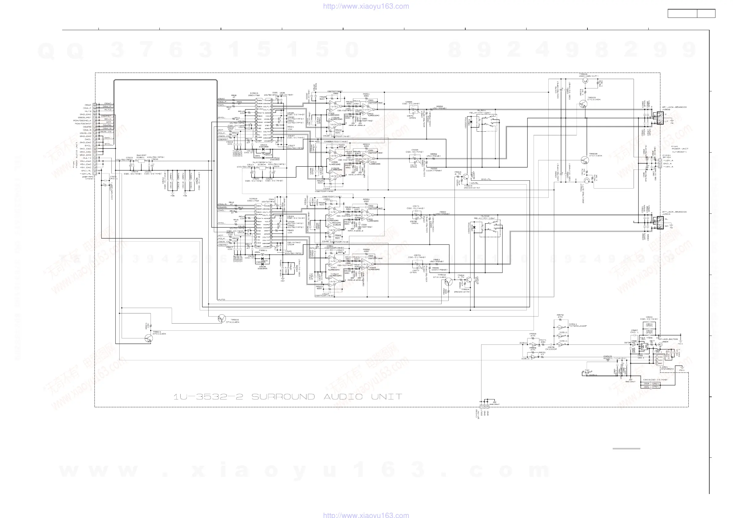
SCHEMATIC DIAGRAMS (2/7)
DCD-SA100
82
82
SCHEMATIC DIAGRAMS (2/7)
1U-3532-2 SURROUND AUDIO UNIT
SIGNAL LINE
w
w
w
.
x
i
a
o
y
u
1
6
3
.
c
o
m
Q
Q
3
7
6
3
1
5
1
5
0
9
9
2
8
9
4
2
9
8
T
E
L
1
3
9
4
2
2
9
6
5
1
3
9
9
2
8
9
4
2
9
8
0
5
1
5
1
3
6
7
3
Q
Q
TEL 13942296513 QQ 376315150 892498299
TEL 13942296513 QQ 376315150 892498299
http://www.xiaoyu163.com
http://www.xiaoyu163.com