EasyManua.ls Logo

Denon DCD-SA100 - Schematic Diagrams (Part 6 of 7); Schematic Diagrams (6;7)

Denon DCD-SA100
87 pages
Print Icon
To Next Page IconTo Next Page
To Next Page IconTo Next Page
To Previous Page IconTo Previous Page
To Previous Page IconTo Previous Page
Loading...
CY252
CX131
1234567891011
A
B
C
D
E
F
G
H
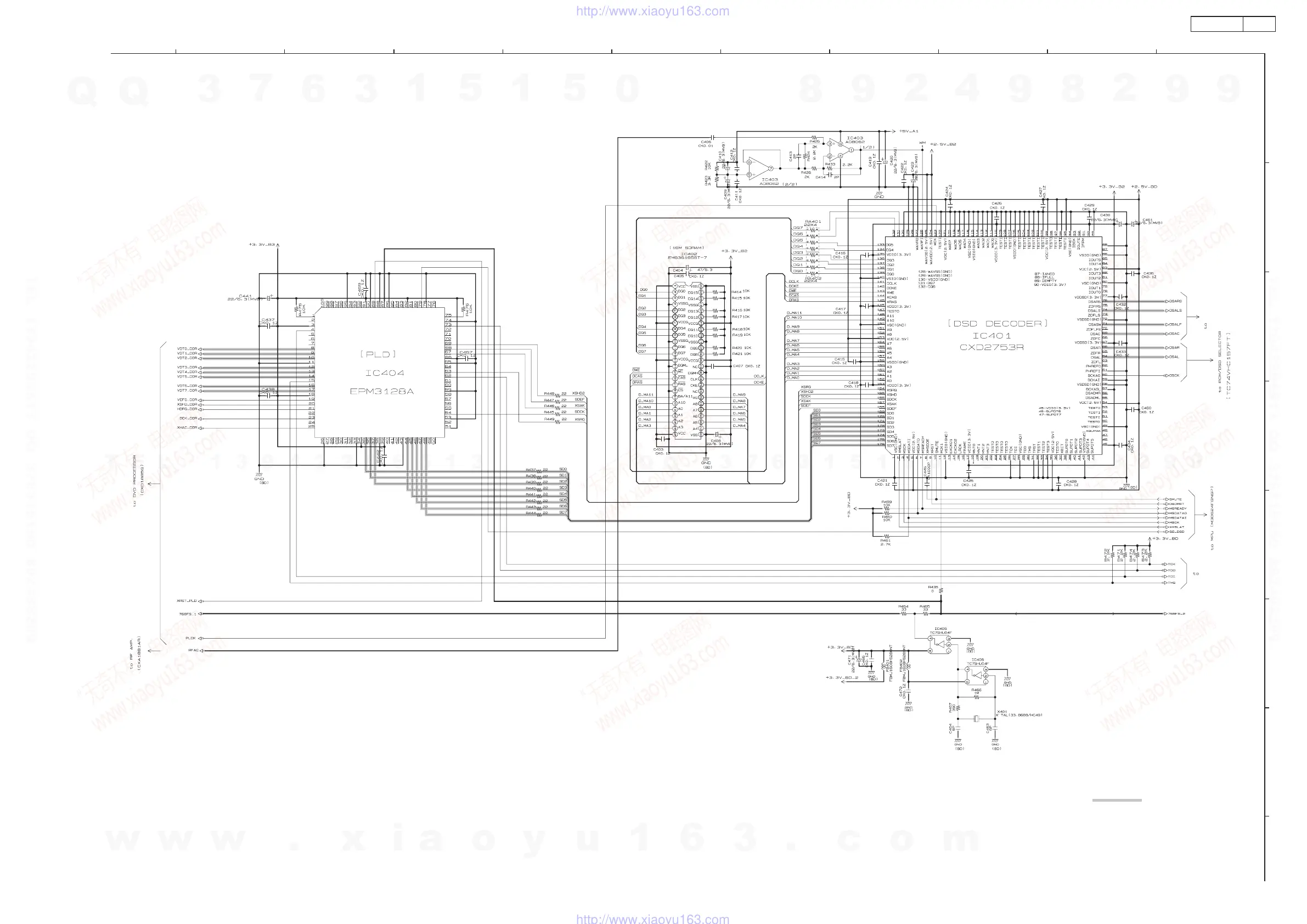
SCHEMATIC DIAGRAMS (6/7)
DCD-SA100
86
86
SCHEMATIC DIAGRAMS (6/7)
1U-3562 SACD MODULE UNIT (2/3)
SIGNAL LINE
w
w
w
.
x
i
a
o
y
u
1
6
3
.
c
o
m
Q
Q
3
7
6
3
1
5
1
5
0
9
9
2
8
9
4
2
9
8
T
E
L
1
3
9
4
2
2
9
6
5
1
3
9
9
2
8
9
4
2
9
8
0
5
1
5
1
3
6
7
3
Q
Q
TEL 13942296513 QQ 376315150 892498299
TEL 13942296513 QQ 376315150 892498299
http://www.xiaoyu163.com
http://www.xiaoyu163.com